Inhaltsverzeichnis
- 1 Welche Sensorarten gibt es
- 2 Bumpers
- 3 Whiskers (Fühler)
- 4 Magnetische Sensoren
- 5 Optische Sensoren
- 6 Ultraschall Sensoren
- 7 Kompaß
- 8 Beschleunigung
- 9 Drehung
- 10 Geschwindigkeit
- 11 Temperatur
- 12 Resistive Sensoren
- 13 Kapazitive Sensoren
- 14 Induktive Sensoren
- 15 Piezoelektrische Sensoren
- 16 PIR Passiv Infrarot Sensoren
- 17 Infrarot Thermopiles
- 18 Autoren
- 19 Siehe auch
- 20 Weblinks
Welche Sensorarten gibt es
Damit sich ein Roboter in seiner Umgebung bewegen kann, ohne an Hindernisse anzustoßen, und damit er ein Ziel finden und ansteuern kann, muß er irgendwie seine Umwelt "wahrnehmen". Hauptanwendung für diese Informationen aus der Umwelt ist die Navigation. Auf dieser Seite werden die wichtigsten Sensorarten und damit es praktischer wird auch zugleich die populärsten Robotik- und Modellbau-Sensortypen vorgestellt. Auch die Pinbelegung und Anschlussmöglichkeiten dieser Sensoren werden kurz erläutert.
Es ist auch möglich Informationen für die Steuerung des Roboters nicht nur aus eigens dafür gebaute Sensoren zu gewinnen. Durch Ausnutzung der Eigenschaften von schon vorhandenen Bauteilen können dadurch eventuell separate Sensoren eingespart werden. Beispiel ist im verlinkten Forumbeitrag unter den Weblinks zu finden.
Bumpers
Als Bumpers bezeichnet man eine Art Stoßstange, die einen Mikro-Switch auslöst.
Die Auswertung erfolgt am besten digital an einem Pin mit Pull-up Widerstand. Man kann den Eingang pollen (abfragen), aber auch einen Interrupt auslösen lassen. -->
Whiskers (Fühler)
Das sind flexible Kunststoff-Streifen von ca. 10 cm Länge, eigentlich für Datenhandschuhe vorgesehen. Aber man kann sie auch als Fühler einsetzen, und daher auch für die Kollisions-Sensorik verwenden. Beim Verbiegen steigt der Widerstand an.
Um zu messen, wird mit einem zweiten Widerstand ein Spannungsteiler aufgebaut, der dann mit einem Analog-Eingang einen Grad der Verbiegung erkennen läßt. Sie werden häufig auch Flexsensoren genannt. -->
Magnetische Sensoren
Es gibt eine Vielzahl an magnetischen Sensoren für Winkel-, Weg-, Position- und Strommessung die die unterschiedlichen magnetischen Technologien verwenden. Eine der bekanntesten Technolgien ist die Nutzung des Hall-Effektes. Aber auch induktive oder magnetoresistive Technologie kann genutzt werden um magnetische Sensoren zu realisieren.
Weg-, Winkelsensoren
austriamicrosystems AS5040
Der AS5040 kann absolute Winkelpositionen an einer Achse messen. Die Messung wird indirekt über ein Magnetfeld mittels Hallsensoren durchgeführt. Aufgrund der Anordnung der Hallsensoren und der Integration der Sensoren direkt in Silizium wird eine sehr hohe Genauigkeit bei der Messung erreicht. Das Messprinzip kompensiert ausserdem Störgrössen, wie externes Magnetfeld, Alterungseinflüsse, Temperaturschwankungen und mechanische Toleranzen.
Die komplette Auswertung der Sensorsignale geschieht auf dem Chip.
Durch die hohe Integration reduziert sich die zusätzliche Beschaltung des Chips auf wenige Bauteile, beispielsweise ein paar Filterkondensatoren.
Die Winkelencoderfamilie von austriamicrosystems besitzt vielfältige Schnittstellen, um den Winkelwert zu übertragen
| Seriell SSI | Standard Schnittstelle für Winkelencoder in der Industrie |
| PWM | erzeugt abhängig vom Winkel eine entsprechende Pulslänge, läßt sich sehr schön mit der Capturefunktion eines Controllers messen und braucht nur eine Leitung |
| I2C | direkte Schnittstelle zum Microcontroller |
| Analog | kompatible Schnittstelle um beispielsweise Potiapplikationen zu ersetzen |
| Inkremental | klassische Schnittstelle um relative Bewegungen zu messen, keine Absolutmessung möglich |
| BLDC | erzeugt direkt die Kommutierung für einen bürstenlosen Motor. Durch die höhere Auflösung gegenüber einer 3-Hall-Schalterlösung kann der BLDC mit einem wesentlich höheren Drehmoment gestartet werden |
Bei der Auswahl des Magnets ist darauf zu achten, dass sogenannte Selten-Erde-Magnete verwendet werden. http://de.wikipedia.org/wiki/Seltene_Erden Diese erzeugen ein besonders starkes Magnetfeld, das im 1-Tesla-Bereich liegt. Im Zentrum des Magnetfelds ist ein linearer Bereich, der für die Genauigkeit der Messung ausschlaggebend ist. Solange die Hallsensoren in diesem Bereich liegen, kann eine unkalibrierte Genauigkeit von +/- 0.5 Grad gewährleistet werden. Weiterhin ist zu beachten, dass der Magnet nicht direkt auf eine Eisenwelle montiert wird. Die Eisenwelle verursacht quasi einen magnetischen 'Kurzschluss' und entzieht damit den Hallsensoren das Magnetfeld. Idealerweise sollte eine NE-Welle verwendet werden, oder wenn nicht anders machbar muss eine Isolation aus NE-Material zwischen Eisenwelle und Magnet eingefügt werden.
Ein einfacher erfolgreicher Test des Sensors ist hier beschrieben: http://www.roboternetz.de/phpBB2/zeigebeitrag.php?p=322373#322373
Winkelsensor-Familie FREEPITCH Sensitec AA700
Die Sensoren der AA700 Familie sind Winkelsensoren, basierend auf dem anisotropen magnetoresistiven (AMR) Effekt. Die Sensor besteht aus zwei um 45° relativ zueinander verdrehten Wheatstone-Bücken. Ein rotierendes Magnetfeld in der Sensorebene liefert zwei um 90° zueinander phasenverschobene Sinussignale mit doppelter Frequenz des Magnetfeldes. Der AA747 ist in einem SO8-Gehäuse. Der AA745 ist in einem SIL6-Gehäuse.
FREEPITCH bedeutet, dass der Sensor quasi punktförmig über eine geringe Fläche die Magnetfeldrichtung erfasst.
Die Sensoren sind ein rein passiver Sensoren - haben also keine internen Verstärker o.ä. Halbleiterkomponenten. Die Sensoren sind somit "nur" ein Widerstandselement und hat dadurch eine sehr hohe Bandbreite.
Als Magnet kommt üblicherweise ein Dipolmagnet zum Einsatz, der oberhalb des Gehäuses in der Ebene des Sensors rotiert wird.
http://sensitec.com.p-ad.de/deutsch/produkte/winkel/aa747.html
http://sensitec.com.p-ad.de/deutsch/produkte/winkel/aa745.html
zur Übersicht und Auswahl des geeigneten Sensors und Magneten (Application note):
http://sensitec.com.p-ad.de/upload/SENSITEC/PDF_Downloads/Application_Note/Sensitec_AA700_AND_00.pdf
Längensensor-Familie FIXPITCH Sensitec AL700
Die Sensoren der AL700-Familie sind Längensensoren, basierend auf dem anisotropen magnetoresistiven (AMR) Effekt, angepasst an eine magnetische Pollänge. Die Sensoren bestehen aus zwei zueinander versetzten Wheatstone Bücken. Der Sensor liefert zwei um 90° zueinander phasenverschobene Sinussignale mit doppelter Frequenz des Magnetfeldes. Die Amplitude der Sensoren ist bis zu einem Abstand von etwa der hälfte der Polteilung zwischen Sensor und Maßverkörperung konstant.
Da die Sensoren übicherweise an einem Magnetband mit abwechselnd magnetisierten Nord- und Südpolen benutzt werden, sind sie in einem SIL6-Gehäuse. Dies erlaubt es den Sensor an einer Leiterplattenkante zu bestücken.
Als Maßstab kommt wird ein Magnetband mit der zum Sensor passenden Polteilung benutzt. Diese Kombination sorgt für eine sehr gute Performance der Positionsmessung.
Weiterhin sind die Sensoren (bis auf den 5 mm Sensor) so aufgebaut, dass die MR-Messstreifen über mehrere magnetische Pole des Maßstabes angeordnet sind. Z.B. ist der Sensor AL798 (für 1 mm Pole) nur nur 1 mm breit, sondern 2 mm breit, weil er über zwei Magnetpole des Maßstabes "mittelt". Hierdurch wird erreicht, dass z.B. ungleich große Pole (die z.B. durch Materialinhomogenitäten des Maßstabes entstehen können) gemittelt werden und somit der "Fehler" des einzelnen Poles nicht so stark in das Positionsergebnis eingeht.
Polteilung 0,5 mm: http://sensitec.com.p-ad.de/deutsch/produkte/winkel/al795.html
Polteilung 1 mm: http://sensitec.com.p-ad.de/deutsch/produkte/winkel/al798.html
Polteilung 2 mm: http://sensitec.com.p-ad.de/deutsch/produkte/winkel/al796.html
Polteilung 2,5 mm: http://sensitec.com.p-ad.de/deutsch/produkte/winkel/al797.html
Polteilung 5 mm: http://sensitec.com.p-ad.de/deutsch/produkte/winkel/al780.html
zur Auswahl des Sensors, der Messanordnung und des Maßsstabes gibts hier eine Übersicht (Application note):
http://sensitec.com.p-ad.de/upload/SENSITEC/PDF_Downloads/Application_Note/Sensitec_Aktive_Maverkrperungen_AND_00.pdf
Stromsensoren
Sensitec CMS3000 & CDS4000
Die Stromsensoren der CMS3000- und CDS4000-Reihe basieren auf der magnetoresistiven Technologie und sind nach dem Kompensationsprinzip aufgebaut, dies bringt eine sehr genaue (sehr lineare) Strommessung.
Folgende Strombereiche sind verfügbar:
| Typ | Nennstrom | Versorgung |
| CMS3005 | 5 A | ±15 V |
| CDS4006 | 6 A | 5 V |
| CDS4010 | 10 A | 5 V |
| CMS3015 | 15 A | ±15 V |
| CDS4015 | 15 A | 5 V |
| CMS3025 | 25 A | ±15 V |
| CDS4015 | 25 A | 5 V |
| CMS3050 | 50 A | ±15 V |
| CDS4050 | 50 A | 5 V |
| CDS4100 | 100 A | 5 V |
| CDS4125 | 125 A | 5 V |
| CDS4150 | 150 A | 5 V |
Weiterhin kann durch den Sensoren der 3fache Nennstrom (also z.B. bei 50 A bis zu 150 A) abgebildet werden.
Optische Sensoren
Helligkeit
Die Hauptanwendung solcher Sensoren ist, den hellsten Fleck im Raum zu finden. Dies ist auch Teil vieler Roboterwettbewerbe. (Robo Callenge (2002 sic!), 'Ein Platz an der Sonne')
Solche Sensoren können einfache LDRs oder Photodioden bzw. Phototransistoren sein. LDRs haben den Vorteil, dass sie relativ hoch aussteuern, der große Nachteil ist aber, dass diese Sensoren ziemlich wärmeempfindlich und träge sind (Der Dunkelwiderstand wird erst nach 1-60s wieder erreicht). Photodioden und Phototransistoren haben den Vorteil, dass sie sehr genau sind, aber nicht besonders hoch aussteuern. Diese sollte man evtl. über einen OpAmp verstärken.
Grössenordnung der Grenzfrequenzen: Photowidertand ca. 10-100 Hz Photodarlington-Transistor ca. 30 kHz Photo-Transistor ca. 300 kHz Photo-Diode ca. 10 MHz Photo-Pin-Diode ca. 1 GHz
Alternativ kann auch ein digitaler Lichtsensor verwendet werden, den man direkt an den I2C- oder SM-Bus anschliessen kann. Man erspart sich Auswertung, Temperaturkompensation und Signalaufbereitung, allerdings ist der Anschluss meistens schwieriger, weil der Sensor in SMD-Bauform gebaut ist und 3,3 anstatt 5 Volt braucht.
Die Suche nach dem hellsten Fleck im Raum ist wie ich finde ein gutes Einsteigerthema!
Einen sehr interessanten Artikel über optische Sensoren kann man auf folgender Seite durchlesen:
https://www.best4automation.com/lassen-sie-sich-inspirieren/anwenderwissen/optische-sensoren/
CNY70
Der CNY70 ist ein Foto-Reflex-Optokoppler. In einem würfelförmigem Gehäuse befindet sich eine Infrarot-LED als Sender und ein Infrarot-Fototransistor als Empfänger. Damit kann auf kurze Entfernung (wenige Millimeter) das reflektierte Licht der IR-LED durch den IR-Fototransistor gemessen werden.
Er wird häufig als Sensoren bei einem Linienfolger-Roboter verwendet. Die Reichweite ist jedoch sehr gering, sodass der Abstand zur abgetasteten Fläche klein sein muss. Die maximale Empfindlichkeit ist bei einem Abstand von 0,3mm. Bei etwa 7mm ist die Empfindlichkeit nur noch 10% vom Maximalwert.
siehe CNY70
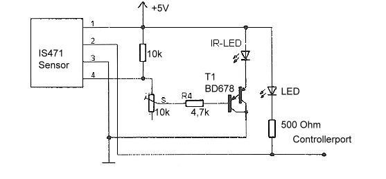
Distanzsensor IS471F
IS471F - Hinderniserkennung mit Infrarot Distanzsensor
Das hier vorgestellte IC IS471F erlaubt eine einfache und sogar recht preisgünstige Hinderniserkennung per Infrarot. Dazu muss im Wesentlichen nur noch eine Infrarot-Diode an das IC angeschlossen werden. Das modulierte Licht wird von einem Gegenstand direkt auf das IC zurückgeworfen und somit das Hindernis erkannt. Tageslicht/Fremdlicht stört den IS471 überhaupt nicht, da das Licht mit einer bestimmten Frequenz moduliert wird.
Der normale Schaltungsaufbau sieht also wie oben abgebildet aus! In der Praxis kann das dann in etwa so aussehen:
Das englische Datenblatt findet man im Roboternetz-Download-Bereich
Die normale Reichweite ist in gewissen Grenzen abhängig von der Farbe des Hindernisses. In der Regel reicht sie jedoch einige cm, so dass langsame Roboter durchaus sehr gut damit zurechtkommen. Durch besonders helle Infrarot-LEDs und durch zusätzliche LED-Fassungen kann man die Reichweite erhöhen. Wem das noch nicht reicht, der kann über einen zusätzlichen Transistor die Strahlungsleistung der LED noch weiter erhöhen.
Sharp Infrarotsensoren
Sharp hat eine ganz interessante Serie von Bausteinen herausgebracht, mit denen ein Roboter sogar recht genau Entfernungen messen kann. Das Messergebnis ist nahezu unabhängig von der Farbe und Helligkeit des gemessenen Objektes. Die Ansteuerung ist sehr einfach, der Sensorausgang kann zum Beispiel direkt an einen analogen Eingang eines Mikrocontrollers angeschlossen werden. Die Sensoren sind unter den Roboter-Bastlern weit verbreitet.
Bei vielen Händlern erhältlich kosten die Sensoren derzeit je nach Typ und Händlerspanne zwischen 13 bis 25 Euro.
Oft werden selbst in kleinen Roboter-Projekten mehrere dieser Sensoren genutzt, da sie nur einen äußerst engen Erfassungsbereich haben. Sie eignen sich daher sehr gut zur Vermessung einer Umgebung, insbesondere dann, wenn sie drehbar auf einem Servo montiert werden. Als Kollisionsschutz sind sie wegen des engen Winkels nur bedingt geeignet, zu diesem Zweck eignen sich zum Beispiel Ultraschallsensoren besser.
Das Funktionsprinzip der Sensoren ist einfach. Der Sensor besteht aus Sender und Empfänger. Der Sender sendet einen Infrarot-Strahl aus, der vom Hindernis reflektiert wird. Je nach Entfernung trifft der reflektierte Strahl an einer unterschiedlichen Stelle auf den Empfänger (ein sog. Position Sensitive Device, PSD). Der Empfänger setzt den Auftreffpunkt in einen analogen Spannungswert um. Eine schöne Skizze dazu:
Wenn man diese Sensoren an Robotern einsetzt, will man meist Hindernisse mit senkrecht stehenden Kanten erkennen. Montiert man den Sensor jedoch in waagrechter Lage, können sich Fehlmessungen ergeben, wenn sich ein Objekt am Sensor vorbeibewegt (z.B. wenn sich der Roboter dreht). Es wird an der Kante kurzzeitig eine Entfernung gemessen, die geringer als die tatsächliche Entfernung zum Hindernis ist (oder auch größer als die Entfernung zu einem zweiten Hindernis hinter dem ersten, je nach Bewegungsrichtung!). Man löst dieses Problem, indem man den Sensor in senkrechter Position montiert, also so, dass die beiden Linsen übereinander statt nebeneinander liegen. Dies wird auch im Datenblatt des Sensors empfohlen: der Sensor sollte immer senkrecht zur Bewegungsrichtung des Hindernisses montiert werden.
Sehr deutlich erkennt man diese Messfehler, wenn man den Sensor als eine Art 3D-Scanner einsetzt: http://www.team-iwan.de/technik/sharp1.php
|
Die Gehäuse dieser Sensoren sehen wie ganz gewöhnlicher Kunststoff aus. Sie bestehen jedoch aus leitfähigem Material! (Kaum zu glauben, aber einfach nachprüfbar: zwischen den beiden Befestigungslöchern misst man einen Widerstand von etwa 250 bis 300 Ohm). Außerdem ist das Gehäuse mit dem Masseanschluss verbunden. Dies ist normalerweise nicht weiter wichtig, da die Sensoren meist entweder isoliert (zB auf Kunststoffteilen) oder auf einem geerdeten/mit Masse verbundenen Metallchassis montiert werden. Wenn man aber die Sensoren abschalten will, um Strom zu sparen (die Sensoren verbrauchen etwa 30 bis 40mA), muss man bei nicht isolierter Montage unbedingt die Plusleitung schalten! Wenn man die Masse-Zuleitung unterbricht, ist der Sensor sonst trotzdem noch über das Gehäuse und das Chassis mit Masse verbunden und wird nicht deaktiviert! |
|
Die Stromaufnahme des Sensors von 30-40mA kann täuschen. Mit einer Wiederholrate von etwa 1kHz benötigt der Sensor kurzzeitig eine Stromaufnahme von ca. 1 Ampere! Diese Stromstärke braucht der Sharp-Sensor, um damit seine Infrarot-Sende-LED zu treiben. Durch die hohe Stromaufnahme kann der Sensor infrarotes Licht kurzzeitig mit hoher Intensität aussenden. Die Verwendung eines oder sogar mehrerer IR-Distanzsensoren dieser Sorte kann zu erheblichen Spannungseinbrüchen auf der 5V-Versorgungsleitung führen. Am Analogausgang des Sensors können ebenso noch Störungen vorhanden sein. Um Rückwirkungen auf die Versorgung zu vermeiden und die Störungen auf der Ausgangsleitung (für einen Sensor mit analogem Ausgang!) zu verringern, soll hier auf den nebenstehenden Schaltplan verwiesen werden. Der Elko vor dem Sensor sollte die angegebene Kapazität haben, da der Sharp-Sensor seine Stromspitzen hauptsächlich aus diesem bezieht. Dieser Elko wird über den 3,3-Ohm-Widerstand aufgeladen. Der Widerstand kann auch durch eine Induktivität ersetzt werden, Berechnung über thomsonsche Schwingungsformel f=1/(2*Pi*Wurzel(L*C)), wobei die Grenzfrequenz f deutlich kleiner als die 1kHz gewählt werden sollten, um die gewünschte Filterwirkung (Dämpfung) zu erreichen. Weitere Informationen: Thema im Roboternetz Untersuchung von Segor Electronics |
Einige der beliebtesten Bausteine sind:
Sharp GP2D12
Distanz 10-80 cm - Entfernung wird durch analoge Spannung am Ausgang übermittelt. Dies ist der am häufigsten eingesetzte Sharp-Typ bei mobilen Robotern. Dieser Sensor wird seit 2010 nicht mehr produziert. Der Nachfolger ist der GP2Y0A21YK0F.
Sharp GP2Y0A21YK0F (Nachfolger des GP2D12)
Distanz 10-80 cm - Entfernung wird durch analoge Spannung am Ausgang übermittelt.
Sharp GP2YA21YK
Distanz 10-80 cm - Entfernung wird durch analoge Spannung am Ausgang übermittelt.
Sharp GP2D120
Distanz 4-30 cm - Entfernung wird durch analoge Spannung am Ausgang übermittelt.
Sharp GP2Y0A02YK
Distanz 20-150 cm - Entfernung wird durch analoge Spannung am Ausgang übermittelt.
Sharp GP2D02
Distanz 10-80 cm - Entfernung wird durch 8-Bit-Digitalausgang übermittelt.
Sharp GP2D150
Distanz 3-30 cm - 1 Bit Schaltausgang.
Datenblätter zu den oberen Sensoren findet man im Download-Bereich des Roboternetzes, siehe unter #Weblinks.
Um die analogen Spannungen der Sensoren in eine Entfernung umzurechnen, kann man sich mit Hilfe des Datenblattes oder einfacher Probemessungen Tabellen erstellen, welche dann vom Controller zur Umsetzung genutzt werden. Bequemer ist allerdings eine Näherungsformel:
Formel zur Entfernungsberechnung
D = A/(X-B)
D ist die Entfernung X ist der Ausgabewert des Sensors A ist die Steigung der Kurve A/X B ist der Offset der Kurve
Die Konstanten A und B ermittelt man am besten über zwei Probemessungen:
D und X sind die Entfernung und der Ausgabewert der ersten Messung (z.B. bei 20 cm) D' und X' sind die Entfernung und der Ausgabewert der zweiten Messung (z.B. bei 60 cm)
A = ((X' - X) * D' * D) /(D - D' ) B = (D' * X' - D * X) /(D' - D)
Mehrere Messungen ergeben ein besseres Ergebnis: Dazu werden für jeweils zwei Messungen die Konstanten A und B errechnet (s. o.) und in ein Plotprogramm als Graph dargestellt. Plotprogramm (OpenSource): Graph
Funktion: f(x)=A/(x-B)
Man kann dann durch Verändern von A und B einen Graphen erstellen, der die meisten Eigenschaften der anderen Graphen enthällt. Diese Konstanten entsprechen dann ziemlich genau dem Realwert.
GP2D12 Messkurve
GPD120 Messkurve
Messfleckgröße des SHARP GP2Y0A41SK0F
siehe
Drehgeber Sharp GP1A30 und GP1A38
Beim Sharp GP1A30 und GP1A38 handelt es sich um Gabellichtschranken mit inkrementaler Drehgeberfunktion. Beide sind im Grunde von den Anschlüssen identisch, lediglich kann GP1A38 noch etwas höhere Drehzahlen messen. Im Gegensatz zu herkömmlichen Gabellichtschranken können mit dieser sowohl Drehzahl als auch Drehrichtung ermittelt werden. Notwendig sind dafür nur 2 digitale Ports. Verzichtet man auf die Auswertung der Drehrichtung, reicht nur ein Port. Der Sensor hat den Vorteil, dass die Signale bereits TTL-kompatibel sind und direkt an ein Controllerboard angeschlossen werden können. Ein Beispielprogramm zu RN-Control findet man hier
- Überlegungen zur Drehgeber-Auswertung
- Beispiel Drehzahlmessung mit RN-Control
- Beispiel Drehzahlmessung mit Drehgeber
Die Auswertung inkrementaler Drehgeber ist recht einfach. Ein Ausgang liefert einen Impuls pro Markierung (Scheibe auf der Welle). Prüft man bei jedem Impuls (Flanke) noch gleichzeitig den aktuellen Pegel des zweiten Ausganges, so kann daraus die Drehrichtung abgeleitet werden.
Der Signalverlauf an den Sensorausgängen ist phasenversetzt:
Ultraschall Sensoren
Ultraschallsensoren SRF04
Die Firma Devantech hat eine Serie von sehr günstigen und kleinen Ultraschallsensoren entwickelt, die sich im Bereich "autonome Robotersysteme" durchgesetzt haben. Sie sind sehr verbreitet, da sie auch für "Hobby-Robotiker" erschwinglich sind und es sich nicht lohnen würde vergleichbare Module selber zu bauen, da diese meistens ungenauer und teurer wären.
Bekannt wurde die Serie durch den SRF04. Mit seinen kleinen Abmessungen, der niedrigen Stromaufnahme und der hohen Genauigkeit ist er für kleine Messaufgaben im Entfernungsbereich von 3 cm bis 3 m gut geeignet. Der SRF04 kann einen 3 cm dicken Besenstiel in 2 m Entfernung erkennen und wird durch ein PWM-Signal ausgewertet.
Ultraschallsensor SRF05
Der Nachfolger des SRF04 ist der neue SRF05. Er besitzt noch eine etwas höhere Reichweite bis 4 Meter. Zudem besitzt er neben dem kompatibel Mode zu SRF04 noch eine Betriebsart bei der er über einen einzigen Port (Pin) gesteuert wird. Das heißt sowohl der Start der Messung und das Ergebnis wird über die gleiche Leitung übertragen. Programmbeispiel in Bascom
SRF08
Die Alternative zu SRF04 und SRF05 ist der beliebte SRF08 und dessen Nachfolger SRF10, der nun über den I2C-Bus ausgewertet werden kann und über eine Reichweite von 3 cm bis 6 m verfügt. Er hat eine noch kleinere Stromaufnahme und zusätzlich befindet sich auf der Platinenfront ein Fotowiderstand (LDR), dessen Lichtmesswerte sich ebenfalls über den I2C-Bus auswerten lassen. Durch den SRF08 wird es möglich, auch bis zu 16 Mehrfachechos von weiter hinten gelegenen Gegenständen auszuwerten, die bei dem SRF04 ignoriert wurden. Über den I2C-Bus kann man die Messwerte in Zentimeter, Zoll und in der Laufzeit µs auslesen und spart sich somit die externe Auswertung der Laufzeit wie bei dem SRF04. Weiterhin können insgesamt 16 SRF08-Module an einen I2C-Bus angeschlossen werden.
SRF08 Programmbeispiel
SRF08 Programmbeispiel mit AVR-GCC
SFR08 Programmbeispiel mit Bascom Über die grundsätzliche Behandlung des I2C-Bus mit Bascom kann man hier nachlesen.
Const Sf08_adr_0 = &HE0 ' I2C Adresse Const Sf08_c_range = 100 ' Reichweite Const Sf08_c_gain = 1 ' Empfindlichkeit
Die Adresse ist der Default-Wert für den Sensor und kann eingestellt werden. Range und Gain sind anzupassen, die angegebenen Werte sind aber mal grundsätzlich verwendbar.
Setup Nach dem Reset sind einmal Range und Gain zu setzen.
Setzen Range
I2cstart
I2cwbyte Sf08_adr_0 ' Device I2C Adresse
I2cwbyte 2 ' register "range"
I2cwbyte Sf08_c_range
I2cstop
Setzen Gain
I2cstart
I2cwbyte Sf08_adr_0 ' Device I2C Adresse
I2cwbyte 1 ' register "gain"
I2cwbyte Sf08_c_gain
I2cstop
Abfrage Trigger
Die Abfrage soll laut Beschreibung in zwei Schritten erfolgen, zwischen denen ca 70 mS gewartet werden soll. Diese Zeit braucht das Gerät zum Messen.
Trigger
I2cstart
I2cwbyte Sf08_adr_0 ' Device I2C Adresse
I2cwbyte 0 ' register "Trigger"
I2cwbyte 81 ' Meßwert in Zentimetern
Waitms 70
Ergebnis abholen
DIM Lsb as Byte
DIM Msb as Byte
DIM IVal as word
I2cstart ' Repeated Start
I2cwbyte Sf08_adr_0 ' Device I2C Adresse
I2cwbyte 2 ' Meßwert US
I2cstart ' repeated Start
I2cwbyte Sf08_adr_0 + 1 ' Device I2C Adresse READ!
I2crbyte Msb , Ack ' Bit 8-15
I2crbyte Lsb , Nack ' Bit 0-7
I2cstop
Ival = Makeint(lsb , Msb) ' umwandeln in Word (16 Bit)
SRF10 Ultraschallsensor
SRF10 ist quasi der Nachfolger von SRF08. Er bietet die gleiche Leistung und ist sogar gegenüber Spannungsschwankungen noch etwas unempfindlicher als der Vorgänger. Der größte Vorteil besteht jedoch darin das er ca. 1/3 kleiner als sein Vorgänger ist. Allerdings bietet er im Gegensatz zum SRF08 weder einen Lichtsensor noch die Möglichkeit, die Mehrfachechos auszulesen.
Die technischen Daten sind ähnlich:
- Betriebsspannung: 5V
- Stromaufnahme: ca. 3mA Standby, ca. 15mA während des Messens Frequenz: 40KHz
- Maximale Reichweite: 6 m
- Minimale Reichweite: 4 cm
- Messwerterfassung: intern, kein externer Controller zur Zeitmessung notwendig
- Interface: Standard – I2C (passend zu zahlreichen Controllerboards, z.B. RN-Control)
- Ausgabeformat: µs, cm oder Zoll
- Feature: Analogverstärkung 40 - 700 (einstellbar, 16 Stufen)
- Abmessungen: 32mm x 15mm x 10mm
- Hersteller: Devantech Ltd
SRF02 Ultraschallsensor
Der erste Sensor aus der SRF-Reihe, der mit nur einem Ultraschallwandler auskommt. Dennoch können sich die Leistungen zeigen. Vor allem die Tatsache, dass sowohl RS232- und I2C-Bus-Schnittstelle vorhanden ist, dürfte viele Bastler erfreuen.
- Betriebsspannung 5V (stabilisiert)
- Stromaufnahme nur 4mA (typisch)
- Ultraschallfrequenz 40kHz
- Reichweite 15 cm bis 6 Meter
- Schnittstelle RS232 (TTL) und I2C-Bus
- Ausgabeeinheit wahlweise mm, inch oder uS
- Einfachste Verwendung, keine Kalibration/Justierung notwendig
- Größe 24mm x 20mm x 17mm
Einige Bascom-Programmbeispiele zum SRF02 findet man unter Ultraschallsensor SRF02 am RN-Board
Vergleichstabelle
| SRF10 | SRF08 | SRF05 | SRF04 | SRF02 | |
| Betr. Spannung | 5V | 5V | 5V | 5V | 5V |
| Stromaufnahme | 3mA typ., 15mA max. |
3mA typ., 15mA max. |
4mA typ., 30mA max. |
30mA typ., 50mA max. |
4mA typ. |
| US Leistung | 100 – 150mW | 100 – 150mW | 100 – 150mW | 100 – 150mW | ?? mW |
| Frequenz | 40kHz | 40kHz | 40kHz | 40kHz | 40kHz |
| Bereich | 72º | 55º | 55º | 55º | 55º |
| Reichweite | 4cm - 6m | 3cm - 6m | 3cm - 4m | 3cm - 3m | 15cm - 6m |
| Triggerimpuls | 10µs min. | 10µs min. | |||
| Abmessung in mm | 32 x 15 x 10 | 43 x 20 x 17 | 43 x 20 x 17 | 43 x 20 x 17 | 24 x 20 x 17 |
| Interface | I2C | I2C | TTL Impuls | TTL Impuls | I2C o. RS232 TTL |
| Feature | Minimodul | Lichtsensor | SRF04 Modus | nur 1 US-Kapsel | |
| Preis ca. * | 44,00 € | 44,00 € | 22,00 € | 25,00 € | 19,00 € |
* Der Preis dient nur zum Vergleich untereinander, nicht als Referenz !
Kompaß
Kompass-Modul CMPS03
Laut der Doku ist diese Modul speziell für die Bedürfnisse von Robotern gestaltet worden. Es misst seine Lage relativ zum Erdmagnetfeld und liefert diesen Wert
- Als PWM-Signal
- Über I2C entweder 0-255 als Byte oder
- 0-3599 als 16-Bit Wert (MSB first)
In der vorliegenden Doku ist eine fixe I2C-Adresse von 0xC0 angegeben. Was leider noch fehlt, sind Angaben, ob und wie diese Adresse geändert werden kann.
Bei waagrechter(!) Montage ist das also ein Kompass, bei senkrechter Montage dieser Module kann man auch die Neigung in Nord-Süd-Richtung messen. Hierzu sind 2 Module nötig, die zueinander um 90° gedreht angeordnet sein müssen. Die Neigung in Ost-West-Richtung zu messen, ist dagegen leider nicht möglich. Wenn ein CMPS03 als Kompass verwendet werden soll, sind zwei Dinge zu beachten:
- Mindestens 20 cm Abstand von Eisen (Motoren)
- Exakte horizontale Ausrichtung.
Eine Montage an einem langen Stab aus Holz oder Kunststoff hoch über dem Roboter ist sinnvoll.
Das Ganze ist eine Anwendung des Philips-KMZ51 Magnet-Feld-Sensors mittels eines PIC16F872
Gelegentlich sollte das Modul kalibriert werden. Das kann über den I2C-Bus, aber auch mittels einen Pins am Modul initiiert werden. Dafür muss am Pin 6 für jede Himmelsrichtung einmal kurz GND angelegt werden. Diese 4 Messpunkte nimmt das Modul auf und speichert sie im EEPROM.
Ein Beispielprogramm findet man hier:
CMPS09
Inzwischen ist der Nachfolger des CMPS03, nämlich der CMPS09 erhältlich.
Das Kompassmodul verfügt nun über eine Tilt-Kompensierung und ist im Vergleich zum CMPS03 deutlich kleiner. Die Auswertung geschieht, wie beim CMPS03 auch, über einen PWM-Ausgang oder den I2C-Bus, zudem ist hier noch eine serielle Schnittstelle (UART) mit 9600N2 vorhanden. Das Kompassmodul läuft bereits ab 3,3V.
Das Modul kann z.B. über robotikhardware.de bezogen werden.
Beschleunigung
Beschleunigungssensoren messen die Beschleunigung, die auf sie wirkt - wenn sie auf dem Tisch liegen, messen sie beispielsweise die Erdbeschleunigung von 1g. In einem Auto können weitere Beschleunigungen hinzukommen: Zur Seite beim Kurvenfahren, nach vorne oder hinten beim Beschleunigen, oder bei zügiger Fahrt über eine Bergkuppe auch mal welche in vertikaler Richtung.
Beschleunigungssensoren sind meist mehrdimensional ausgelegt, so dass für mehrere Achsen ein Sensor verwendet werden kann.
Anwendungen finden sie in ESP-Systemen in Autos, die u.a. über die Querbeschleunigung ausrechnen können, ob das Fahrzeug seitlich driftet oder gar schleudert.
Eine andere wichtige Aufgabe übernehmen sie zusammen mit Gyroskopen in Trägheitsnavigationssystemen, die dann sowohl die Lage im Raum als auch die Bewegung feststellen können.
Moderne Piezo-Sensoren sind nur noch chip-gross und können direkt in Schaltungen integriert werden.
Beispiele für solche Chips ist die Chipfamilie ADXL von Analog Devices. Sie umfaßt 1- und 2-Achs Accelerometer in verschiedenen Empfindlichkeiten. Der Test eines solchen Sensors ist hier beschrieben. http://www.roboternetz.de/phpBB2/viewtopic.php?t=8525
siehe auch: Sensoren - Beschleunigung
Drehung
Um Drehungen zu messen, werden sogenannte Gyroskope, kurz "Gyros" verwendet. Typische Vertreter sind hier die ADXRS-Familie von Analog Devices. Diese sind allerdings, anders als die Beschleunigungssensoren, meistens nur für eine Achse ausgelegt. Die Ausgabe erfolgt meist analog, jede Ausgangsspannung entspricht einer bestimmten Drehrate in °/Sekunde.
Gemessen wird die Auswirkung der Corioliskraft auf zwei gleiche, in Bewegung gehaltene Massen. Diese schwingen radial, d.h. 90° verdreht zu der Achse, auf der die Drehung gemessen werden soll. Wird der Sensor um die Achse gedreht, ändert sich die Geschwindigkeit dieser Massen, da sie auf einer gedachten Scheibe abwechselnd nach innen und außen wandern. Je weiter sie außen sind, desto höher ist ihre Geschwindigkeit, je weiter innen, desto langsamer sind sie. Bei der Bewegung nach außen müssen sie also beschleunigt werden, andersherum genauso. Die dabei auftretenden Beschleunigungen werden mittels einiger Fühler gemessen, die einen Plattenkondensator bilden.
Eine Anwendung sind im Flugmodellbau Gyro-"Taillocks", die in Hubschraubern die Heckstabilität verbessern und ESP-Systeme in Autos, die u.a. durch die Messung der Gierrate, also der Drehung des Fahrzeugs um die Hochachse, feststellen können, ob das Fahrzeug seitlich driftet oder sogar schleudert.
Geschwindigkeit
Geschwindigkeit kann unterschiedlich erfasst werden.
- Direkt am Rad oder Antrieb. Diese Methode wird häufig auch in Kfz verwendet, stößt jedoch an ihre Grenzen, wenn die Räder viel Schlupf haben.
- Gegenüber der Luft mittels Pitot-Tube. Das wird bei Flugzeugen so gemacht, oder z.B. in der Formel 1. Bei niedrigen Geschwindigkeiten nicht zu gebrauchen
- Mittels eines optischen Sensors gegenüber dem Untergrund. Dafür kann ein Maussensor aus einer optischen Maus verwendent werden, evtl. mit einer Anpassung der Optik für einen geänderten Abstand.
- Mittels GPS-Empfang. Funktioniert nur unter freiem Himmel.
Siehe auch unter Sensoren für die Geschwindigkeitsmessung
Temperatur
NTCs und PTCs
siehe PTC/NTC
KTY: Silizium Temperatursensoren
Die KTY-Temperatursensoren sind verglichen mit anderen Temperatursensoren verhältnismäßig günstig, haben dafür aber auch mehr Nachteile.
Die Genauigkeit ist ziemlich eingeschränkt, weshalb die KTY-Temperatursensoren zuerst kalibriert werden sollten. Dies kann schaltungstechnisch oder in Software erfolgen.
Andererseits lassen sich mittels Oversampling sehr hoch aufgelöst Temperaturen messen, was aufgrund mittelmäßiger Linearität (auch nach der Linearisierung) aber nur bei der Messung kleiner Temperaturunterschiede empfehlenswert ist.
Linearisiert werden die KTY mit einem Reihenwiderstand von etwa 2,7 kOhm bis 3,3 kOhm als Spannungsteiler. Bei 5 V führt dies aber schon zu einer merklichen Eigenerwärmung. Im Vergleich zu, PT1000 ist der Temperaturkoeffizient beim KTY etwa doppelt so hoch - man bekommt also etwa das doppelte Signal.
http://www.roboternetz.de/phpBB2/viewtopic.php?p=342164&sid=ad63fd51eb08bcf225389af5bbc4fcfd#342164
Diode als Temperatursensor
Die Flußspannung von Dioden ist temperaturabhängig. Für Siliziumdioden verringert sich die Spannung um etwa 2 mV pro Grad Temperaturerhöhung. Der Absolutwert der Flußspannung hängt etwas vom Strom ab und variiert auch zwischen verschiedenen Chargen. Es ist also fast immer wenigstens ein Abgleich nötig. Es kann auch eine Diodenstrecke eines Transistors genutzt werden, für eine ggf. besser geeignete Gehäuseform (z.B. BD135 im TO126 Gehäuse mit Bohrung).
LM335 und LM35
Der Temperatursensor LM335 funktioniert wie eine Z-Diode, die ihre Durchbruchspannung proportional zur Temperatur ändert. Beim Sensor LM335 beträgt diese Änderung 10mV/K, beim Sensor LM35 beträgt die Änderung 10mV/oC.
Der größte Unterschied zwischen den Sensoren ist der, dass am Ausgang des LM335 bei 0oC etwa 2,73V anliegen (273K = 0oC) und beim LM35 0V. Sollen negative Temperaturen gemessen werden, so muss man für den LM35 das Bezugspotential GND anheben (z.B. mit zwei Si-Dioden).
Von den Sensoren LM335 und LM35 gibt es auch noch genauere Ausführungen, welche einen geringeren Temperatur-Fehler ab Werk haben. Diese Versionen heißen LM15/LM25 bzw. LM135/LM235 und sind entsprechend teurer als die 3er Version (zum Vergleich: LM335 kostet bei Reichelt 0,89€, der LM135 jedoch 7,75€).
Der LM335 und LM35 messen nach einer einfachen Kalibrierung mit einem Poti, bis auf 1oC genau. Dazu muss man mit dem Poti die Ausgangsspannung bei 25oC auf 2,98V einstellen (2,98V / 0,01V/K = 298K = 25oC). Da der Sensor über seinen Messbereich sehr linear ist, braucht man nur bei einer Temperatur kalibrieren. Durch den Einsatz mehrerer in Reihe geschalteter Sensoren kann man das Ausgangssignal verstärken (bei drei LM335 erhält man dann 30mV/K anstatt 10mV/K) oder, wenn die Sensoren im Raum verteilt sind, einen einfachen Mittelwert bilden.
Beschaltung und Dimensionierung eines LM335
Da sich der Sensor wie eine Z-Diode verhält, muss der Strom durch diese begrenzt werden, um eine Verfälschung des Signals oder gar eine Zerstörung zu verhindern. Fließt jedoch zu wenig Strom durch die Diode, so treten Störungen auf und die Genauigkeit sinkt.
Der Strom wird auf einfache Weise wie bei einer LED durch einen Widerstand (hier R1) begrenzt. Der Strom sollte zwischen mindestens 450µA und maximal 5mA liegen. Bei einer Betriebsspannung von 5V kann also für 2mA ein Widerstand von etwa 2,5kOhm benutzt werden (R = U/I).
Die max. Betriebsspannung sollte 30V nicht überschreiten!
Zur Kalibrierung schließt man an ein 10kOhm Potentiometer zwischen V+ und V- (GND) des Sensors an und legt dessen Schleifer auf den ADJ-Pin. Nun stellt man die Ausgangsspannung in Abhängigkeit von der Raumtemperatur (welche bekannt sein sollte) ein (1oC = 1K, 273K = 0oC). Kalibriert man den LM335 nicht, so kann dieser um bis zu 9K falsch gehen!
Im letzten Bild (ganz rechts) ist die schon angesprochene Reihenschaltung aufgezeichnet. Um ein größeres Ausgangssignal zu erhalten, kann man das Signal auch mit einem Operationsverstärker verstärken. Das ist günstiger und man hat die Möglichkeit, das Signal um ein Vielfaches zu verstärken ohne einige Dutzend Sensoren einzusetzen!
Pin-Belegungen und weitere Daten finden sich im Datenblatt (kann man z.B. bei Reichelt herunterladen).
Temperatur-Sensor LM75
Dieser Chip von National Semiconductors kann die Umgebungstemperatur mit einer Auflösung von 0.5o Grad Celsius messen und wird über einen I2C Bus angesprochen.
Der Messbereich:
- −25oC bis 100oC bei ±2oC(max)Genauigkeit.
- −55oC bis 125oC bei ±3oC(max)Genauigkeit.
Der LM75 bietet:
- Einen Schaltausgang (invertierbar) - z.B. für Ventilator, Heizung etc.
- Programmierbarer oberer und unterer Schaltpunkt.
- Schaltausgang alternativ auch als Interrupt verwendbar.
- Über von außen einstellbare I2C-Adresse. Bit 0 = R/W, Bits 1-3 einstellbar, Bit 4-7 fixe Adresse 0x9n
- Maximal 8 Stück LM75 an einem I2C Bus.
Durch I2C-Lesebefehle kann man die Temperatur (2x8Bit)auslesen.
Das erste Byte ist der Temperatur-Vorkommawert in ganzen Grad, als normales signed char. Das Bit 7 vom zweiten Byte bestimmt den Nachkommawert. Wenn Bit 7 gleich 1 so ist der Nachkommawert + 0.5oC. Auch dann + 0.5 oC wenn Vorkommawert negativ. Wenn Bit 7 gleich 0 so ist der Nachkommawert = 0. Bit 0-6 vom zweiten Byte sind ohne Bedeutung.
Programm-Beispiel für LM75
Der LM75 wird über den I2C-Bus angesprochen. In BasCom, wo es ja keine signed char gibt, wird das Interpretieren auf sehr unterschiedliche Art empfohlen.
Ich empfehle:
dim Ival as integer
dim Msb as byte
dim Lsb as byte
I2cstart
I2cwbyte &H91 ' Lese-adresse !
If Err = 1 Then
I2cstop ' kein ACK vom LM75 --> irgendein Fehler
Ival = 9999 ' Zeichen, daß der Wert ungültig ist !
Else
I2crbyte Msb , Ack
I2crbyte Lsb , Nack
I2cstop
If Msb.7 = 1 Then
Ival = Makeint(msb , &HFF) ' auffüllen mit den Vorzeichen bits
Else
Ival = Makeint(msb , &H00) ' positiv, also bleibt es so
End If
Ival = Ival * 10 ' erweitern
If Lsb.7 = 1 Then
Ival = Ival + 5 ' fünf Zehntel Grad dazu
End If
End if
Man erhält als Ergebnis die Temperatur in 0,5 Grad Schritten (Natürlich nur, wenn's keine Fehler gab).
Ein weiteres Beispiel [1]
Resistive Sensoren
Resistive Sensoren bzw. Linearpotentiometer arbeiten als Spannungsteiler über einer Hybridleitplastik- schicht und sind in unterschiedlichen Bauformen erhältlich; z.B. für Zylindereinbau, Klemmbock- u. Gelenkaugenbefestigung oder Taster. Deren Einsatzgebiete sind vorwiegend in der Industrie.
Kapazitive Sensoren
Ein Beispiel für kapazitive Sensoren sind Luftfeuchtigkeitsmesser, die ihre Kapazität entsprechend der Luftfeuchtigkeit ändern. Das Auslesen der Kapazität kann prinzipiell über das Ausmessen von Ladekurven geschehen. Dies ist jedoch bei kleinen Kapazitäten nicht praktisch durchführbar, weshalb man in diesem Falle meist einen Schwingkreis baut, dessen Frequenz man dann misst und so dann zusammen mit der bekannten Induktivität der Spule die Kapazität des Kondensators ausrechnen kann.
Induktive Sensoren
Sensoren die ihre Induktivität entsprechend der Messgröße ändern können auch mit Hilfe eines Schwingkreises mit bekannter Kapazität ausgemessen werden.
Induktiver Näherungsschalter enthalten schon eine Elektronik zur Auswertung und liefern meist ein digitales Signal. Die Funktion ist ähnlich den einfachen Metallsuchgeräten: Der Sensor spricht an, wenn im Abstand von weniger als z.B. 2 cm Metall vor dem Sensor ist.
Piezoelektrische Sensoren
Hier ist ein Experiment dargestellt das die Funktion von Piezowandlern demonstriert.
Drückt man auf eine längliche Glasplatte (Mikroskopträger Länge 76mm), die an den Enden auf je einem Piezo Wandler gelagert ist, dann ergeben sich Signale, die von den Kräften auf die Wandler abhängig sind.
Die Summe der beiden Kräfte entspricht der Gesamtkraft. Das Verhältnis der beiden Kräfte entspricht dem Verhältnis der Abstände des Druckpunktes zum Wandler.
Im Versuch wurde mit der Frequenz von ca. 4Hz (0,5s/div) von einem Ende bis zum anderen auf die Platte gedrückt. (Tonleiter). Die Signale der beiden Wandler sind im Oszillogramm aufgetragen und die Folge der Druck-Positionen ist auf den ersten Blick schon mal nachvollziehbar.
PIR Passiv Infrarot Sensoren
Hier handelt es sich um Passiv-Infrarot-Bewegungsmelder. Bewegungsmelder regieren beim Eintritt einer Person (Tier) in das Erfassungsfeld des Sensors. Die Anwendungsmöglichkeiten sind nahezu unbegrenzt, man kennt die Technik ja von vielen Terrassenlampen, welche sich beim vorbeigehen automatisch einschalten. Reagiert wird also auf die Körperwärme einer sich im Erfassungsfeld bewegenden Person.
Zum Prinzip: Wärmestrahlen, die einen Erfassungsvorgang auslösen, liegen im Infrarot-Bereich des Wellenspektrums. In diesem Bereich gibt der menschliche Körper seine Wärmestrahlung ab. Leuchtmittel wie Glüh- , Halogen- und Entladungslampen, die für eine Strahlung im sichtbaren Bereich um 0,555 μm entwickelt wurden, geben jedoch auch einen erheblichen Teil an Wärmestrahlung im Infrarot-Bereich ab. Im Spektrum oberhalb des sichtbaren Licht, ab 0,780 μm, beginnt der Infrarot-Bereich. Die Wellenlänge dieser IR-Strahlung ist abhängig von der Temperatur eines Körpers. Die Wärmestrahlung des Menschen hat ihr Maximum zwischen 9 und 10 μm im Infrarot-Bereich. Diese Tatsache nutzt der PIR Sensor mittels sogenannter pyroelektrischer IRDetektoren, welche eine hohe Empfindlichkeit im langwelligen Infrarot-Bereich aufweisen. Die Infrarot- Strahlung verhält sich ähnlich wie sichtbares Licht. Sie kann reflektiert und durch Linsen gebündelt werden. Basis eines solchen IR-Detektors (Sensors) sind Lithium-Tantalatkristalle. Diese Kristalle erzeugen, bei Wärmeänderung (positive oder negative Temperaturänderung), eine elektrische Spannung. Die von den Kristallen abgegebene Spannung liegt im Bereich von einigen μV (μV = millionstel Volt) und ist von folgenden Bedingungen abhängig:
- Der Intensität der Wärmequelle (Temperatur und Größe)
- Dem Umgebungsmedium (Temperatur, unterschiedliche Luftfeuchtigkeit)
- Der Entfernung zwischen Wärmequelle und IR-Sensor
- Der Bewegungsgeschwindigkeit und Bewegungsrichtung der Wärmequelle
- Der Empfindlichkeit des PIR-Elementes (frequenzabhängiges Bandpaßverhalten mit Maximum bei ca. 0,1 Hz)
Zur Unterdrückung von Einflüssen aus der Umgebung (übliche wetterbedingte Temperaturänderungen), sind in jedem Sensor 2 Kristalle antiparallel geschaltet. Einer der Kristalle gibt, bei Auftreffen von Wärmestrahlung einen positiven, der andere einen negativen Spannungsimpuls ab. Wärmeänderungen die gleichzeitig und mit gleicher Intensität auf beide Kristalle einwirken lösen so keinen Erfassungsvorgang aus, denn die beiden Impulse heben sich gegenseitig auf. Dadurch ist ein Auslösen bei Wärmeänderungen der Umgebung weitgehend ausgeschlossen. Anders verhält es sich bei schnellen Bewegungen. Die Lithiumtantalat-Kristalle geben, entsprechend der Bewegung und der dadurch hervorgerufenen Wärmeänderung im Erfassungsfeld, ihre Impulse zeitversetzt ab. Die beiden Impulse addieren sich zu einer Wechselgröße mit höherer Signalamplitude. Dieses elektrische Ausgangssignal ist proportional der Wärmeänderung und führt zur Meldung einer Bewegung.
Infrarot Thermopiles
Bei den Infrarotsensoren gibt es neben den oben beschrieben PIR Sensoren aus Bewegungsmeldern auch solche auf Basis von Thermopiles. Diese können nicht nur auf Änderungen reagieren, sondern auch eine konstante Strahlung messen. Beispiele ist der TPS334. Der Sensor gibt eine relativ kleine Spannung (oft < 0,1 mV) aus, die in der Regel erst verstärkt werden muss. Neben dem eigentlichen Strahlungssensor gibt es noch eine Möglichkeit die Temperatur des Sensors selbst zu messen, um die Abstrahlung des Sensor zu kompensieren.
Zu finden sind solche Sensoren z.B. in Infrarotthermometern.
Autoren
Siehe auch
- Navigation
- Sensoren
- Graycode
- Ultraschall SRF10 an RN-Control
- Ultraschall SRF05 an RN-MiniControl
- Ultraschallsensor SRF02 am RN-Board
- Bascom und Kompass CMPS03
- Bascom und Kompass LSM303DLH
Weblinks
- Aktuelle Sensorvorstellungen und Datenblätter unter Mikrocontroller-Elektronik.de
- Forumbeitrag: Drehzahlmessung bei Gleichstrommotoren über Bürstenimpulsauswertung
- Piezoelektrische Sensoren
- KTY Sensor Datenblatt
- NTC Datenblatt
- Technische Daten, Links zum Hersteller für diverse CMP und SRF Sensoren sowie Adaptermodule
- Technische Daten von zahlreichen Sensoren
- Übersicht elektromagnetische, mechanische und akustische Sensoren
- Preiswerter Ultraschallsensor HC-SR04










































