Ein Transistor ist ein elektronisches Halbleiterbauelement. Dieser wird zum Schalten und Verstärken benutzt. Die Bezeichnung Transistor ist ein Kurzwort, das sich vom englischen Transfer Varistor ableitet und den Transistor als bei bipolaren durch Strom bzw. bei FETs durch Spannung steuerbaren Widerstand umschreibt.
Transistoren werden in zwei Gruppen unterteilt:
- Bipolare Transitoren
- Feldeffekttransistoren (FETs)
Bipolare Transistoren werden durch Stromfluss angesteuert. Die Anschlüsse des bipolaren Transistors sind Kollektor, Basis und Emitter. Ein kleiner Strom auf der Basis-Emitter-Strecke kann dabei einen großen Strom auf der Kollektor-Emitter-Strecke steuern. Es wird unter anderem auch zwischen NPN- und PNP-Transistoren unterschieden.
Bei FETs ("Field Effect Transistor")werden die Anschlüsse als Gate (engl. Tor, Gatter), Drain (engl. Abfluss), Source (engl. Quelle) bezeichnet. Der Strom auf der Drain-Source-Strecke wird hier durch die Spannung zwischen Gate und Source gesteuert. Die Steuerung mit Gleichspannung erfolgt stromlos. Bei Steuerung mit Wechselspannung wird ein Strom fürs Umladen der Gate-Kapazität benötigt.
Die FET's kann man auf j-FET's ("junction FET") und MOSFET's ("Metall Oxide Semiconductor FET") unterteilen, wobei Gate (G) vom Kanal (D-S Strecke) isolliert ist.
Inhaltsverzeichnis
- 1 Funktionsprinzip
- 2 Schaltsymbol und Anschlussbelegung
- 3 Grundschaltungen (Als Beispiel: NPN-Transitor)
- 4 Transistor-Kennwerte
- 5 Siehe auch
- 6 Weblinks
Funktionsprinzip
Gehen wir zunächst von einem NPN-Transistor aus, dessen Emitter auf Masse liegt. Durch ihn können zwei Ströme fließen: Der Basis-Emitter-Strom (Kurz: Ib) und der Collector-Emitter-Strom (Kurz: Ic). Der Basisstrom Ib ist der Steuerstrom. Die Spannungs-Strom-Kennlinie der Basis-Emitter-Strecke ähnelt einer Diodenkennlinie: Bis ca. 0,6V ( für Silizium; bei Germanium ist die Schwellenspannung schon bei etwa 0,35V) fließt kaum Strom, danach steigt die Stromstärke schnell an (siehe Grafik). Wie bei der Diode ist diese Kennlinie temperaturabhängig, bei höheren Temperaturen kann ein höherer Strom fließen. Je nach Schaltung werden zwischen die Ansteuerung und die Basis des Transistors Widerstände geschaltet um den Basis-Strom zu begrenzen.
Die Collector-Emitter-Strecke des Transistors hat eine Kennlinie, die zuerst in etwa linear ansteigt und dann bei einer bestimmten Stromstärke in eine fast waagrechte Gerade übergeht (siehe Grafik).
Bei welcher Stromstärke die Gerade abknickt, hängt von dem Strom ab, der durch die Basis-Emitter-Strecke fließt. Je höher dieser ist, desto später knickt die Gerade ab, und desto größere Lasten kann man schalten. In einem begrenzten Bereich ändert sich der Basisstrom linear zum Collectorstrom. Die Basis-Emitter-Stromstärken betragen in der Grafik von unten nach oben 0mA, 5mA, 10mA, 15mA und 20mA.
Das Verhältnis aus dem Strom, der auf der Collector-Emitter-Strecke fließen kann, und dem Strom, der dazu als Steuerstrom benötigt wird, nennt man Verstärkungsfaktor. Der Verstärkungsfaktor, der bei einem Transistor angegeben ist, ist jedoch eine rein theoretische Größe. Die Werte, die im Datenblatt angegeben sind, beziehen sich meistens auf eine Collector-Emitter-Spannung von 5V, bei höheren Lastströmen sinkt der Verstärkungsfaktor weiter. Für Schaltanwendungen sollte man daher von etwa der halben Stromverstärkung ausgehen, damit die Emitter-Collector-Spannung sicher klein bleibt.
Wie groß man Ib wählen muss, probiert man in einer Schaltungssimulation aus, oder berechnet es näherungsweise.
Bei einem PNP-Transistor sind im Grunde alle Spannungen umgedreht. Der Emitter zeigt nicht zur Masse, sondern zur positiven Versorgung (Vcc, z.B. 5 V). Die Basis muss auf einer niedrigeren Spannung liegen, beispielsweise 4,3V, damit der Transistor durchschaltet. Der Strom fließt aber weiterhin von + nach - (technische Stromrichtung angenommen)
Schaltsymbol und Anschlussbelegung
Grundschaltungen (Als Beispiel: NPN-Transitor)
Die Grundschaltungen sind nach dem Anschlusspin des Transistors benannt, der an eine feste Spannung angeschlossen ist, also gerade nicht als Eingang oder Ausgang dient.
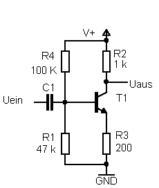
Emitterschaltung
(1) Die Emitterschaltung besteht hauptsächlich aus dem Transistor, dem Kollektorwiderstand und dem Basis-Vorwiderstand. Ist an der Basis eine Spannung von unter 0,6V anlegt, ist der Transistor nicht leitend, also hochohmig. Weil der hochohmige Transistor einen höheren Widerstand als der Kollektorwiderstand aufweist fällt bei ihm die größte Spannung ab. Der Ausgang der Schaltung wird durch den Widerstand auf die positive Versorgungsspannung (Vcc) "gezogen".
(2) Wenn man nun eine Spannung am Eingang anlegt, die größer als ca. 0,6V ist, fließt ein Strom durch die Basis des Transistors. Der Transistor wird leitend und zieht den Ausgang der Schaltung auf 0V (GND).
Durch die Offsetspannung von 0,6V ist diese Schaltung nicht zum linearen Verstärken von Signalen geeignet. Die Schaltung kann nur als Schalter genutzt werden, sei es um die Flanken auf einem Signal zu verbessern (steiler zu machen) oder um Lasten zu schalten.
In ersterem Fall muss man beachten, dass die Emitterschaltung das Signal invertiert, d.h. bei 0V am Eingang liegen 5V am Ausgang an und umgekehrt.
In letzterem Fall wird die Last (beispielsweise eine Glühbirne) statt Rc angeschlossen. Sobald man nun eine Spannung an die Basis anlegt, wird der Transistor leitend und es kann ein Strom durch die Last fließen, die Lampe leuchtet.
Bei großen Lasten benötigt der Transistor einen entsprechend hohen Basisstrom, der durch den Basis-Vorwiderstand eingestellt wird.
Erweiterte Emitterschaltung
Wenn man die Emitterschaltung zum linearen Verstärken eines Signals nutzen will, muss man sie noch ein wenig erweitern. An die Basis wird zusätzlich ein Pullup-Widerstand angeschlossen. Dieser sorgt dafür, dass der Transistor "vorgespannt" wird. Der Widerstand wird dabei gerade so groß gewählt, dass der Ausgang möglichst genau zwischen GND und der Versorgungsspannung liegt.
Hinter den Ausgang und vor den Eingang müssen zusätzlich so genannte Koppelkondensatoren geschaltet werden. Diese sorgen am Eingang dafür, dass die angelegte Eingangsspannung die Vorspannung nicht zerstört und am Ausgang dafür, dass kein Gleichstrom durch die Last fließen kann. Dies ist vor allem bei Lautsprechern wichtig.
Die Emitterschaltung kann in dieser Form Wechselspannungen verstärken. Für Gleichspannungen ist sie nicht mehr geeignet, da die Koppelkondensatoren diesen sperren.
Wenn man eine Wechselspannung anlegt, fließt zusätzlich zu dem Vorspannstrom ein Eingangsstrom, der den Transistor entweder leitender (positive Halbwelle) oder weniger leitend (negative Halbwelle) macht.
In ersterem Fall wird der Kollektor des Transistors durch selbigen auf eine negativere Spannung gezogen. Durch den Koppelkondensator am Ausgang fließt dann ein Strom in Richtung des Kollektors, bis der Kondensator durch diesen weit genug aufgeladen ist.
im anderen Fall wird der Transistor weniger leitend, der Kollektor des Transistors wird dann durch den Widerstand Rc auf eine positivere Spannung gezogen. Folglich fließt durch den Koppelkondensator am Ausgang ein Strom in Richtung der Last, allerdings auch hier nur solange der Kondensator nicht vollständig geladen ist.
Kollektorschaltung
Für eine Kollektorschaltung werden zunächst nur ein Transistor und ein Widerstand benötigt.
Ohne Eingangsspannung leitet der Transistor nicht, der Ausgang liegt also auf 0V.
Sobald man am Eingang eine Spannung anlegt, wird der Transistor jedoch leitend, die Ausgangsspannung wird größer. Gleichzeitig wird dadurch die Basis-Emitterspannung kleiner. Der Ausgang erreicht also maximal etwa die Eingangsspannung abzüglich der 0,7 Volt, die benötigt werden, damit auf der Basis-Emitterstrecke ein Strom fließen kann. Die Spannungsverstärkung ist folglich etwas kleiner als 1. Im Gegenzug besitzt die Kollektorschaltung eine sehr hohe Stromverstärkung und dadurch auch einen sehr hohen Eingangswiderstand. Die Kollektorschaltung wird auch als Emitterfolger bezeichnet.
Bei dieser Schaltung kann auf den Basis-Vorwiderstand verzichtet werden, solange man am Eingang keine Spannung anlegt, die größer ist als die Versorgungsspannung. Der Strom durch die Basis reguliert sich durch die variable Emitterspannung selbst. Allerdings kann ein Basis-Vorwiderstand auch als Kurzschlussschutz dienen, da bei einem begrenzten Basisstrom auch der Kollektor-Emitterstrom begrenzt ist.
Basisschaltung
In der Basisschaltung wird die Basis fest auf eine mittlere Spannung gelegt. Der Strom am Emitter dient als Eingang, der Strom am Kollektor als Ausgang. Wenn man den kleinen Basisstrom vernachlässigt, sind der Emitter- und Kollektorstrom gleich groß. Wenn der Widerstand (bzw. die Impedanz) an der Emitterseite niedriger als an der Kollektorseite ist, ergibt sich eine Spannungsverstärkung. Die Basisschaltung wird hauptsächlich in HF-Schaltungen benutzt.
Eine weitere Anwendung sind Pegelwandler. Die Schaltung im Bild rechts dient dazu, ein Digitalsignal von einem IC mit 2-3 V Versorgung auf 5 V zu verstärken. Wenn am Eingang mehr als etwa 1 V anliegen, sperrt der Transistor, und am Ausgang liegt die Spannung über den 1 K Widerstand. Wenn der Eingang auf GND Potential ist, ist der Transistor durchgeschaltet und der Ausgang liegt fast auf GND Potential. Der Basisstrom wird durch den 22 K Widerstand auf rund 0,2 mA begrenzt.
Darlingtonschaltung
Wenn die Stromverstärkung eines einzelnen Transistors nicht ausreicht, können zwei Transistoren so zusammengeschaltet werden, dass der Emitter des ersten Transistors an die Basis des zweiten Transistors geht. Die Kollectoren sind miteinander verbunden. Diese Schaltung verhält sich dann ganz ähnlich wie ein Transistor mit einer Stromverstärkung, die dem Produkt der beiden Stromverstärkungen entspricht. In einem Gehäuse zusammengefasst bezeichnet man diese Schaltung als Darlingtontransistor. Der im Bild gezeigte Widerstand kann auch weggelassen werden. Er macht die Schaltung schneller und reduziert den Leckstrom.
Verstärkung mit Gegenkopplung
Spannungsgegenkopplung
Die Verstärkung mit der Emitterschaltung ist von den Eigenschaften (besonders Verstärkungsfaktor) des verwendeten Transistors abhängig und damit auch temperaturabhängig. Außerdem ist die Verstärkung nicht besonders linear. Die Schaltung im Bild zeigt einen Weg eine stabilere Verstärkung zu erzeugen. Über den Widerstand R2 wirkt die Ausgangsspannung der Eingangsspannung entgegen. Dieses Schaltungsprinzip wird daher Spannungsgegenkopplung genannt. Die Verstärkung ist in diesem Fall auf -R2/R3 = -5 fach festgelegt. Damit die Gegenkopplung wirken kann, muss die Verstärkung ohne die Gegenkopplung wesentlich höher sein, als sie durch die Widerstände eingestellt wird. Durch die Gegenkopplung reduziert sich die Verstärkung zugunsten einer besseren Linearität und thermischen Stabilität.
Stromgegenkopplung
Eine andere Form der Gegenkopplung zeigt das Bild rechts. Hier ist die Rückkopplung nicht so klar zu sehen, denn die Rückkopplung wirkt nicht auf die Basis, sondern auf den Emitter. Der Kollektorstrom hängt vom Basistrom ab und damit von der Spannung zwischen Basis und Emitter. Eine höhere Spannung am Emitter ist daher gleichbedeutend mit einer niedrigeren Spannung an der Basis und weniger Strom. Der Strom durch dem Kollektor fließt auch durch den Widerstand am Emitter, erhöht dort die Spannung und wirkt so einem höheren Strom entgegen. Man nennt diese Schaltung daher auch Stromgegenkopplung. Auch hier reduziert sich die Verstärkung auf etwa -R2/R3.
Wie erkenne ich, um welche Grundschaltung es sich handelt?
Einfache Vorgehensweise: Der Anschluss des Transistors, der weder als Eingang noch als Ausgang dient, gibt der Schaltung ihren Namen. Bsp: Eingang Basis, Ausgang Kollektor. Dann handelt es sich um eine Emitterschaltung, weil der Emitter weder Eingang noch Ausgang ist.
Logische Interpretation der Schaltungen
Die NOT-Verknüpfung
Diese einfache Schaltung, bestehend aus einem NPN-Transistor und zwei Widerständen, invertiert das Eingangssignal, sodass aus beispielsweise +5V (oder logisch 1) 0V (oder logisch 0) erzeugt werden. Die daraus resultierende Wertetabelle sieht folgendermaßen aus:
| Eingang | Ausgang |
| 0V | +5V |
| +5V | 0V |
Wenn also an der Transistorbasis +5V angelegt werden (+0,7V reichen meistens auch schon), dann schaltet der Transistor durch und am Ausgang liegen 0V an. Der Strom, der nun durch den Transistor fließt, wird durch den Widerstand R2 begrenzt. Wird dieser Widerstand weggelassen, dann wird durch den entstehenden Kurzschluss der Transistor unweigerlich zerstört. Legt man nun am Eingang 0V an, so sperrt der Transistor und am Ausgang liegen +5V an.
Der Basisstrom wird durch den Widerstand R1 bestimmt. Ein kleiner Widerstand beschleunigt die Schaltgeschwindigkeit des Transistors, ein großer ermöglicht die Ansteuerung auch mit kleinen Strömen.
Baut man die obere Schaltung doppelt auf und verbindet beide Ausgänge miteinander, erhält man ein NOR-Gatter.
Die NAND Verknüpfung
Die NAND (NotAND, d.h. die invertierte Form einer AND Verknüpfung) Verknüpfung besteht aus zwei Transistoren und damit auch zwei Eingängen. Es gibt auch NAND Verknüpfungen mit mehr Transistoren und folglich auch mehr Eingängen, diese sind im Aufbau aber sehr ähnlich zu der vorgestellten Grund-NAND Verknüpfung. Schauen wir uns zunächst die Wertetabelle an:
| Eingang 1 (E1) | Eingang 2 (E2) | Ausgang (A1) |
| 0V | 0V | +5V |
| +5V | 0V | +5V |
| 0V | +5V | +5V |
| +5V | +5V | 0V |
Wie kommt es nun zu dieser Werte- oder auch Wahrheitstabelle?
Wenn an den beiden Eingängen 0V anliegen, dann schaltet keiner der beiden Transistoren durch und der Ausgang ist über den Widerstand R3 mit +5V verbunden. Wechselt nun einer der beiden Eingänge auf 1, dann schaltet auch nur einer der beiden Transistoren durch und am Ausgang liegen immer noch +5V an. Werden nun aber beide Eingänge mit +5V verbunden, dann schalten beide Transistoren durch und der Ausgang ist leitend mit Masse verbunden.
Die Widerstände (R1, R2, R3) haben die gleiche Funktion wie auch in der NOT Verknüpfung.
Transistor-Kennwerte
Die Transistorkennwerte sind grundsätzlich in Grenzdaten und Kenndaten unterteilt. Grenzwerte dürfen auf keinen Fall überschritten werden, da eine Zerstörung des Transistors möglich ist. Eigenschaften eines Transistors werden als Kenndaten angegeben, die das Verhalten in bestimmten Arbeitspunkten kennzeichnen.
Grenzwerte für Sperrschichttemperatur
Durch die Verlustleistung bei Dauerbetrieb entsteht in der Sperrschicht Wärme, durch die sich die Sperrschichttemperatur erhöht. Die Sperrschichttemperatur TJ , darf bestimmte Werte nicht überschreiten, da sich sonst die Eigenschaften des Transistors stark verändern würden (z.B. sehr hoher Leckstrom), was oft eine Zerstörung zur Folge hat. Die maximale Temperatur hängt vom Halbleitermaterial ab.
TJ : 90°C Germaniumtransistoren
TJ : 150 - 200°C Siliziumtransistoren
Zulässiger Arbeitsbereich
In Transistorschaltungen dürfen bestimmte Grenzwerte nicht überschritten werden. Der zulässige Arbeitsbereich einer Transistorschaltung wird somit durch den Kollektorstrom Ic , durch die Kollektor - Emitterspannung UCE und durch die Verlustleistung Ptot begrenzt. Besonders bei höheren Spannungen (ab etwa 30 V) gibt noch eine zusätzliche Begrenzung des Stroms bzw. der Verlustleistung auf ggf. kleinere Werte, die im SOA (Safe operation Area) angegeben wird. Wird der Transistor außerhalb des erlaubten Arbeitsbereiches betrieben, wird er zerstört.
Die zulässige Verlustleistung wird bei kleinen Transistoren oft für 25°C Umgebungstemperatur angegeben. Bei Leistungstransistoren wird oft 25°C Gehäusetemperatur vorausgesetzt. Bei höheren Temperaturen oder schlechterer Kühlung, was fast immer der Fall ist, reduziert sich die zulässige Verlustleistung - praktisch kann man etwa die Hälfte der angegebenen maximalen Verlustleistung nutzen. In den Datenblättern findet man dazu Zahlenwerte und teilweise Diagramme zur zulässigen Verlustleistung als Funktion der Umgebungstemperatur. Je nach Wärmewiderstand RTh eines ggf. vorhandenen Kühlkörpers ergeben sich unterschiedliche Kurven.
Kenndaten
Von den Kenndaten ist im wesentlichen der Stromverstärkungsfaktor (hFE ) wichtig. Für Schaltanwendungen interessiert noch die Kollektor-Emitter-Sättigungsspannung. Die anderen Kenndaten sind im wesentlichen für fortgeschrittene Schaltungen wichtig.
PNP - Transistorschaltung
Autor: ZwieBack - Wiki Konvertierung Frank
Siehe auch
Weblinks







