Aus RN-Wissen.de
Wechseln zu: Navigation, Suche
Balkonkraftwerk Speicher und Wechselrichter Tests und Tutorials

Diese Spezialseite listet alle hochgeladenen Dateien auf.

Dateiliste
 
Datum Name Vorschaubild Größe Beschreibung Versionen
20:58, 7. Nov. 2012 USBasp t85 aufbau.jpg (Datei) 62 KB Breadboard-Aufbau eines sehr einfachen Programmers für die USB-Schnittstelle. Basis: Open-Source-Software von fischl.de und obdev.at. 1
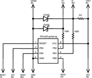
20:57, 7. Nov. 2012 USBasp t85 schaltung.png (Datei) 19 KB Schaltung eines sehr einfachen Programmers für die USB-Schnittstelle. Basis: Open-Source-Software von fischl.de und obdev.at. 1

LiFePO4 Speicher Test