Aus RN-Wissen.de
Wechseln zu: Navigation, Suche
Video Tutorial zu Zendure HEMS Speicher wie SolarFlow 800 Pro, SolarFlow 800 Plus, Hyper 2000

Spannungsverdoppler sind in ihrem Ursprung eine besondere Form von Gleichrichterschaltungen, bei denen die erzeugte Ausgangsgleichspannung größer ist als der Spitzenwert der gleichgerichteten Eingangswechselspannung.
Eine Verdopplung von Gleichspannung ist nur über den Umweg der Wechselrichtung möglich, dies geschieht mittels schwingender Verstärkerschaltungen oder anderer taktgebender Bauteile.


Grundlagen

Delon-Schaltung


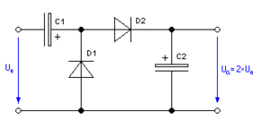
Symmetrische Verdopplung / Delon- oder Greinacher-Schaltung

Die positive Halbwelle lädt über die Diode D1 den Kondensator C1 auf den Spitzenwert der Wechselspannung Ue auf, die negative Halbwelle lädt über die Diode D2 den Kondensator C2 ebenfalls auf Ue auf. Danach verhalten sich die beiden Kondensatoren wie zwei in Reihe geschaltete Spannungsquellen, an ihnen kann nun die verdoppelte Ausgangsspannung Ua = 2 * Ue abgegriffen werden.

Sie wird als symmetrisch bezeichnet, weil man den Punkt zwischen den Kondensatoren als Massepunkt betrachten kann (und damit Ua = +/- Ue gilt).

Diese Schaltung ist sehr einfach und leicht verständlich, kann jedoch nicht zur weiteren Spannungserhöhung kaskadiert ("hintereinandergeschaltet") werden.


Villard-Schaltung

Unsymmetrische Verdopplung / Villard-Schaltung

Die negative Halbwelle lädt über die Diode D1 den Kondensator C1 auf die Spannung Ue auf. Bei der positiven Halbwelle addiert sich die Spannung Ue von C1 mit der Spannung Ue am Eingang, so daß der Kondensator C2 über die Diode D2 nun auf Ua = 2 * Ue aufgeladen wird.

Sie wird als unsymmetrisch bezeichnet, weil am Ausgang der obere Anschluß immer auf positivem und der untere Anschluß immer auf negativem Potential liegt.

Diese Schaltung ist ebenfalls einfach und verständlich. Ihr großer Vorteil liegt in der Kaskadierbarkeit zur weiteren Spannungserhöhung.


Einschränkungen

Die Eingangsspannung für diese Schaltungen ist eine Wechselspannung, die Ausgangsspannung eine pulsierende Gleichspannung. Diese Ausgangsspannung eignet sich nur bedingt zur Versorgung anderer Schaltungen, weil:

  • die pulsierende Ausgangsspannung sich ohne weitere elektronische Maßnahmen (Glättung, Stabilisierung etc.) zumindest nicht zum störungsfreien Betrieb digitaler Schaltungen eignet und
  • die Strombelastbarkeit, zumindest bei mehrstufigen Schaltungen, deutlich niedriger ist als die Belastbarkeit der ursprünglichen Quelle. Die Gesamtleistung der Quelle bleibt ja gleich.


Typische Anwendungen

Die Spannungsverdopplerschaltungen eignen sich vor allem für kleine Leistungen. Typischen Anwendungen sind:

  • Beschleunigungsspannung an Elektronenstrahlröhren (Bildröhren im Fernseher oder im Oszilloskop).
  • Hochspannung (100 V - 1000 V) zum Betrieb von speziellen Sensoren (Photomultipier, Geiger-Müller-Zählrohr, Lawinen-Fotodiode).
  • Symmetrische Betriebsspannung für Operationsverstärker.
  • Spannung zur Ansteurung von MOSFETs (z.B. 12 V).
  • Hilfsspannung für eine H-Brücke, die nur aus N-MOSFETs besteht.
  • Spannung für RS232 Signale

Möglichkeiten der Realisierung

Die oben gezeigten grundlegenden Schaltungen lassen sich, so wie sie sind, sofort zur Spannungsverdopplung einsetzen. Hier folgen nun noch einige weitere Möglichkeiten, Erweiterungen und Ergänzungen.

Kaskadenschaltung (Vervielfacher)

Die Bilder zeigen

  • a. eine etwas anders gezeichtete Form der Villard-Schaltung (s.o.)
  • b. eine Hintereinanderschaltung von zwei dieser Schaltungen
  • c. eine Hintereinanderschaltung von drei dieser Schaltungen

a. Villardkaskade1.GIF b. Villardkaskade2.GIF
c. Villardkaskade3.GIF

Bei den Spannungsvervielfacherschaltungen muß beachtet werden:

  • Die Ausgangsspannung beträgt Eingangsspannung mal 2 mal die Anzahl der Stufen: Ua = 2 * n * Ue
  • Der Laststrom beträgt Eingangsstrom geteilt durch die Anzahl der Stufen: Ia = Ie / n
  • Alle verwendeten Kondensatoren (außer C1) müssen für eine Spannung von 2 * Ue dimensioniert sein.
  • Der Innenwiderstand steigt mit der Anzahl der Stufen, verringert sich aber bei einer Vergrößerung der Kondensatorwerte. Er hängt jedoch stark vom Innenwiderstand der Wechselspannungsquelle ab.


Theoretisch sind mit Kaskadenschaltungen beliebig hohe Ausgangsspannungen möglich, praktisch stehen diesen jedoch technische Probleme entgegen (Isolation, Kapazitäten, Feldeffekte etc.). So sind im professionellen Bereich Kaskaden bis zu mehreren Megavolt erhältlich, im privaten Bereich erweisen sich bei ca. 40 kV die technischen Schwierigkeiten als nahezu unüberwindlich.

Von der Verwendung hoher Wechselspannungen - insbesondere der Netzspannung - als Eingangsspannung einer Kaskade ist dringend abzuraten. Lebensgefahr!


Gleichspannungsverdopplung

Um Gleichspannung zu verdoppeln, muß diese erst in Wechselspannung umgesetzt werden. Meist wird erst eine rechteckförmige Wechselspannung erzeugt. Wegen der dann kleineren Kondensatoren wird dabei oft eine Frequenz im Bereich 1...100 kHz gewählt, es muss dann aber auf genügend schnelle Dioden geachtet werden. Wegen der Rechteckform wird teils noch ein Widerstand zur Begrenzung des Stromes und Reduktion von Störungen eingebaut.

Hier sind einige interessante Links zu verschiedenen Bastlerseiten aufgeführt, auf denen die verschiedenen Schaltungsmöglichkeiten teils sehr detailliert beschrieben werden. Die Schaltungen unterscheiden sich vor allem in der Erzeugung dieser Wechselspannung:

Für kleine Leistung:

Schaltung mit NE555 - Einfache Variante 1
Schaltung mit NE555 - Nahezu identisch...
2-stufige Kaskadenschaltung direkt am AVR - zur Ansteuerung eines Leistungs-MOSFET (BUZ11)

Für etwas mehr Leistung:

Schaltung mit NF-Verstärker TDA2003 - bis 14V Eingangsspannung
Schaltung mit Stereoverstärker TDA2004 - Eingangsspannung 6 bis 12V

Spannungsverdopplung mit Ladungspumpe

Bei Ladungspumpen-ICs werden die Dioden (oder wenigstens ein Teil) durch MOSFETs als Schalter ersetzt. Dadurch entfällt der Spannungsverlust an den Dioden, und die Ladungspumpe kann in beide Richtungen arbeiten, also auch eine Spannung halbieren.

Anders als man es vielleicht vermutet erzeugen die Ladungspumpen mit Rechtecksignal relativ starke Störungen auf der Versorgungsspannung.

Datenblatt des Spannungswandler-ICs MAX1044 / ICL7660: Dieses IC ist vor allem zur Erzeugung einer negativen Spannung gedacht; für die im Datenblatt gezeigte Spannungverdoppung wird auch nur ein Rechteckausgang genutzt.

Das gängige RS232-Treiber-IC MAX232 enhält unter anderem 2 Ladungspumpem, um die 5 V Versorgungsspannung auf knapp 10 V zu verdoppeln und dann aus den 10 V noch einmal -10 V zu machen. Dazu werden extern nur Kondensatoren benötigt: zwei an den Ausgängen und 2 zum Umschaufeln der Ladung.


Spannungsverdopplung mit Schaltregler

Mit einigen Schaltreglern (z.B. Boost-Regler) läßt sich die Spannung erhöhen und ggf. auch verdoppeln. Anders als bei den Schaltungen zuvor ist man nicht auf ein bestimmtes Spannungsverhältnis festgelegt, dafür braucht man aber eine Induktivität sowie eine Regelung des PWM-Signales.

Quellen

Das Elektronik-Kompendium
Wikipedia
Kaskade bei "Jogis Röhrenbude"


Anmerkung

Der Autor möchte hier weder die an anderen Stellen zu findenden Formelsammlungen wiedergeben, noch mit diesem Artikel ein Fachbuch ersetzten. Einzig die Grundlagen, die (auch aus eigener Erfahrung) für einen Hobby-Bastler von Interesse sind, sollen hier dargestellt werden.


Autor

--Williwilli 09:00, 02. Okt 2009 (CET)


LiFePO4 Speicher Test