Da ein Schwingquarz an sich weder Oszillator noch Taktgeber darstellt, sondern einzig zur Festlegung der verwendeten Frequenz dient, muss er entsprechend beschaltet werden, um eine quarzstabilisierte Oszillatorschaltung (im folgenden vereinfacht Quarzoszillator genannt) darzustellen. Dazu sind zwei Verfahren möglich
Entweder
- wird eine der möglichen bekannten Oszillatorschaltungen aus diskreten Bauteilen aufgebaut
oder
- man verwendet einen "externen Oszillator", bei dem die elektronische Schaltung zusammen mit dem frequenzbestimmenden Schwingquarz bereits in ein genormtes Gehäuse eingesetzt ist.
Einfache Oszillatorschaltungen, wie z. B. LC-Schwingkreise, können bauteilbedingt Abweichungen von der theoretisch berechneten Resonanzfrequenz von über 1 % besitzen. Quarzoszillatoren hingegen sind in ihrer Frequenz relativ genau und besitzen Abweichungen von typischerweise unter 0,01 %. In der Praxis sind daher Quarzoszillatoren meist als Taktgeber (für Prozessoren, in Uhren etc.) zu finden.
Inhaltsverzeichnis
Allgemeines zu Oszillatorschaltungen
Temperaturabhängigkeit
Wenn die Schaltung des gesamten Quarzoszillators verschiedene Bedingungen erfüllt (Phasentreue, Breitbandigkeit), so wird die Temperaturabhängigkeit der Frequenz allein durch den Schwingquarz bestimmt. Werden allerdings Bauelemente verwendet, die diese Bedingungen beeinflussen, können diese die Temperaturabhängigkeit erheblich verändern. Ähnliches gilt für integrierte Oszillatorschaltungen.
Die üblichen Schwinquarze für den Frequenzbereich von 3 MHz bis 20 MHz haben für einen großen Temperaturbereich besonders kleine Frequenzabweichungen. Deshalb sollten niedrige Frequenzen besser durch entsprechende Teilung aus höheren Oszillatorfrequenzen erzeugt werden. Die Temperaturstabilteste Frequnz für AT Quarze ist gleich 7,2 MHz.
Spannungsabhängigkeit
Die inneren Kapazitäten eines Quarzoszillators sind abhängig von der Betriebsspannung; daraus folgt, dass sich mit einer Änderung der Betriebsspannung auch die Oszillatorfrequenz ändert. Hinzu kommt, dass bei hohen Spannungen der Schwingquarz stärker belastet wird und sich mit steigender Belastung ebenfalls die Frequenz ändert. Für eine wirklich stabile Frequenz sollte also auch die Spannung stabil sein.
Einschwingzeit
Nach dem Anlegen der Betriebsspannung vergeht Zeit, bis die Amplitude der Oszillatorfrequenz ihre volle Größe erreicht hat. Diese Einschwingzeit ist abhängig von der Verstärkung, dem Innenwiderstand des Verstärkers sowie den Daten des Schwingquarzes und liegt üblicherweise in der Größenordnung von 10 ms.
Kürzere Einschwingzeiten lassen sich also nur durch eine größere Schleifenverstärkung, einen kleineren Innenwiderstand des Verstärkers oder eine größere dynamische Kapazität des Schwingquarzes erzwingen.
Anschwingreserve
Das Anschwingen eines Schwingquarzes erfolgt entweder sehr langsam aus dem Eigenrauschen des Bauteiles, oder schnell auf Grund des Einschaltimpulses der Spannungsversorgung. Beide Vorgänge werden durch die Verstärkung beeinflusst. Ein schnelleres Anschwingen kann gefördert werden, indem die Verstärkung relativ groß gemacht wird. Dies hat seine Grenzen in der zulässigen Belastung des Schwingquarzes. Zudem sollte die Betriebsspannung beim Einschalten nicht zu "weich" einsetzen. Dazu sollten Spannungsregler und Versorgungsleitung mit nicht zu großen Elkos abgeblockt werden.
Ausgangsbelastbarkeit
Durch die Entnahme der hochfrequenten Spannung aus der Oszillatorschaltung (Belastung des Ausgangs der Schaltung mit dem Lastwiderstand) wird auch immer die Rückkopplung beeinflusst. Dies tritt besonders stark bei einer Auskopplung am Schwingquarz selbst auf. Auch kapazitive oder induktive Belastungen (die Leiterbahnführung sowie die Eingangskapazität der folgenden Schaltungen reichen schon) verursachen oft ungewünschte Frequenzänderungen. Dies kann im ungünstigsten Fall sogar zum Aussetzen oder zum "wilden Schwingen" der Schaltung führen.
Zur Verhinderung dieser Effekte, besonders bei wechselnder Last, sollte dem Quarzoszillator ein (Trenn-)Verstärker folgen.
Oszillatorschaltungen
Fast alle in der Praxis verwendeten Schaltungen werden aus einer einstufigen Verstärkerschaltung mit Parallelschwingkreis abgeleitet. Die drei möglichen Grundschaltungen werden nach der Art der Rückkopplung klassifiziert (kapazitiv, induktiv oder mit Übertrager). In jeder dieser drei Grundschaltungen können durch Veränderung des Erdungspunktes drei zusätzliche Versionen abgeleitet werden: Ist das aktive Element ein Transistor, so sind die drei Transistor-Grundschaltungen möglich; ist das aktive Element ein Verstärker, so kann dieser als invertierender Verstärker, als nicht invertierter Verstärker oder als nicht invertierender Verstärker mit Verstärkung Eins eingesetzt werden. In diesen verschiedenen Schaltungen wiederum kann ein Quarz eingesetzt werden:
- in der Rückkopplungsschleife an Ein- oder Ausgang des aktiven Elements als Serienelement.
- als Gegenkopplungselement "abseits" der Rückkopplung. Dadurch wird eine ausreichende Verstärkung bei der niederohmigen Resonanz des Quarzes erreicht.
- als kompletter oder teilweiser Ersatz einer Induktivität, so arbeitet der Quarz im induktiven Zweig.
Pierce
Einstufige Schaltung, neben der Colpitts-Schaltung eine der zuverlässigsten Oszillatorschaltungen. Der Vorteil liegt in der hohen Ausgangsamplitude, die zur direkten Ansteuerung von TTL- oder CMOS-Logikschaltungen ausreicht. Ihr Nachteil: Ein evtl. erforderlicher Abgleichtrimmer kann nicht gegen Masse gelegt werden. Ein Abgleich durch Verstellen eines der beiden Rückkopplungskondensatoren (an Kollektor bzw. an Basis gegen Masse) ist nicht zu empfehlen.
Wesentlich häufiger als eine diskret aufgebaute Pierce-Schaltung wird sie jedoch in der Form mit Logik-Gattern (meist NAND oder Inverter) realisiert. Diese Schaltung ist auch in vielen integrierten On-chip-Quarzoszillatoren vorhanden.
- Pierce-Lorenz
Einstufige Inverter-Schaltung; seltenere Abwandlung der Pierce-Schaltung mit kapazitivem Spannungsteiler.
- Pierce-Miller
Einstufige Inverter-Schaltung; seltene Abwandlung der Pierce-Schaltung mit induktivem Spannungsteiler.
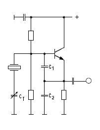
Colpitts
Einstufige Schaltung. Beim Colpitts-Quarzoszillator arbeitet ein Transistor als Emitterfolger mit geerdetem Kollektor. Der Quarz schwingt bei Lastresonanz. Diese Schaltung wird am häufigsten verwendet, sie zeichnet sich durch große Unempfindlichkeit in der Bauteil-Dimensionierung sowie ihre Betriebszuverlässigkeit aus.
Weitere Schaltungen
- Clapp
Einstufige Schaltung, auch "grounded-base-Schaltung" genannt. Der Rückkopplungskreis liegt zwischen einem kapazitiven Spannungsteiler und dem Emitter des Transistors. Da übliche Schwingquarze oberhalb von etwa 150 MHz keine rein ohmische Resonanzfrequenz mehr besitzen, muss diese mit einer Kompensatorspule wieder erzwungen werden. Sehr zuverlässig für Obertonquarze bis zu 300 MHz.
- Clapp-Gouriett
Einstufige Schaltung, aus der Colpitts-Schaltung entwickelt. Sie ist für Quarze im 3. und 5. Oberton besonders geeignet, für höhere Obertöne ist sie jedoch nicht zu empfehlen. Der Quarz schwingt in Lastresonanz, was besonders bei höheren Frequenzen nachteilig sein kann. Oberhalb von 90 MHz sollte eine Serienresonanzschaltung verwendet werden.
- Heegner
Zweistufiger Schaltungsaufbau mit Inverter-Verstärkern. Wird nur noch selten für Frequenzen unter 1 MHz verwendet, da meist eine hohe Verstärkung erforderlich ist.
- Butler
Zweistufiger Schaltungsaufbau mit normalen Verstärkern. Wird gelegentlich zur Realisierung sehr großer Ziehbereiche verwendet, außerdem ist die Schaltung niederohmig und wird daher gerne in der Meßtechnik verwendet.
Externe Oszillatoren
Externe Oszillatoren sind in verschiedenen Bauformen und Baugrößen im Handel erhältlich. Am häufigsten sind zu finden:
- DIL: Annähernd quadratische DIL8-Gehäuse oder rechteckige DIL14-Gehäuse. Diese besitzen 4 Anschlüsse, von denen einer nicht benötigt wird.
- SMD: 4-Pad in unterschiedlichen SMD-Baureihen oder 25-Pad-LCC. Bei 4-Pad sind ebenfalls 4 Anschlüsse vorhanden, von denen einer nicht benötigt wird; die 25-Pad-LCC besitzen an jeder Seite meist mehrere gleichwertige Anschlüsse.
- TO-39: Metallgehäuse im genormten TO-39-Aussehen. Drei Anschlüsse.
Die verfügbaren Frequenzen beginnen bei 0,001 Hz (einige LCC-Typen) und gehen bis zu 120 MHz in allen Bauformen.
Beschaltung gängiger Mikroprozessoren
Mikrocontroller mit zwei Oszillator-Eingängen
Das folgende Bild zeigt die Beschaltung eines ATmega8 mit einem 8MHz-Schwingquarz:
Und hier die Beschaltung des gleichen Prozessors mit einem externen Quarzoszillator (in der Zeichnung wird ein weiteres mögliches, aber ebenfalls nicht genormtes Schaltzeichen verwendet):
Die Beschaltung anderer gängiger Prozessortypen mit externen Takteingängen kann ähnlich vorgenommen werden. Zur Bestimmung der maximalen Frequenz des zu verwendenden Schwingquarzes oder externen Oszillators sowie der Kapazität der zu benutzenden Kondensatoren ist das Datenblatt des jeweiligen Mikroprozessors zu Rate zu ziehen.
Mikrocontroller mit einem Oszillator-Eingang
Gelegentlich sind Mikrocontroller zu finden, die nur einen Takteingang besitzen. In diesem Fall wird eine Schaltung verwendet, in der nur der Schwingquarz in Reihe zu einem Kondensator an Masse liegt. Der IC-Hersteller möchte damit den Anwender die Lastkapazität einstellen lassen und/oder die Gleichstromisolation des Quarzes sicherstellen.
Es empfiehlt sich dann, einen Kondensator zu verwenden, der dem spezifizierten CL-Wert des Quarzes (lt. Datenblatt) entspricht.
Anmerkungen
Der Autor möchte hier weder die an anderen Stellen zu findenden Formelsammlungen wiedergeben, noch mit diesem Artikel ein Fachbuch ersetzen. Einzig die Grundlagen, die (aus eigener Erfahrung) für einen Hobby-Bastler von Interesse sind, sollen hier dargestellt werden.
Weblinks
Autor
--Williwilli 15:20, 15. Aug 2008 (CET)
