Erdarbeiten am Hang mit Schubkarre, Seilzug und Funksteuerung
Erdbewegungen am Hang – am besten mit dem Seilzug
Manchmal verhindern fehlende Grundstückszufahrten oder extrem enge und steile Grundstücksverhältnisse den Einsatz von Maschinen bei Erdarbeiten. In diesem Fall bleibt generell Handarbeit mit einer Schubkarre.
In Praxis kann man bis zu einer Steigung von etwa 5° mit der Schubkarre arbeiten. Aber sogar bei diesen kleinen Steigungen ist es eine Kräfte zehrende Arbeit (siehe Bild 1).
Besonders schwer ist es die beladene Schubkarre bei lockeren bis schwach zusammenhängenden Böden, wie Sandboden oder leichter Lehm, den Hang hoch zutransportieren.
Bei schwierigem Gelände am Steilhang (zum Beispiel mit der Steigung 10°-45°) kann die normale Verwendung der Schubkarre überhaupt unmöglich sein.
Um die Erdbewegungen am Hang zu erleichtern oder sogar am Steilhang zu ermöglichen wird vorgeschlagen für die Schubkarre einen Seilzug (elektrische Seilwinde) anzuwenden (siehe Bild 2).
Eine Bauschubkarre wird für die Last ca.100-120 kg verwendet. Die brauchbare Zugkraft der beladenen Schubkarre auf dem Hang kann durch folgenden Ausdruck berechnet werden.
P = N ( sin a + m cos a ) ,
wobei P die Zugkraft, N die vertikale Radlast, a die Steigung, m die Fahrwiderstandzahl ist.
Nehmen wir an, dass ganze Last auf das Rad der Schubkarre wirkt. Bewertung für einen schwersten Fall: N=120kg, a=45°, m=0,2 gibt den folgende Wert der Zugkraft
P = 120 ( sin 45° + 0,2 cos 45° )=101 kg.
Also, um diese Kraft zu entwickeln eignet sich eine Seilwinde für die Hubkraft 100 kg. Zum Beispiel passt der Seilzug von der Firma Güde, Modell GSZ 100/200 mit der folgenden technischen Daten:
Hubkraft 100 kg/1000 N
Max. Hubhöhe 11 m
Hubgeschwindigkeit 10 m/min
Seillänge 12 m
Seildürchmesser 3,18 mm spannungsfrei
Bruchkraft des Seils > 900 kg / 9 KN
Betrieb / ED S3 20%/10 min
Versorgungsspannung 230 V- 50Hz
Motorleistung P1 500W
Im Bild 3 wird die praktische Erdbewegung mit dem Seilzug GSZ 100/200 gezeigt.
Der Nachteil dieses Betriebes besteht darin, dass der Seilzugsschalter zu kurze Kabellänge (ca.0,5 m) hat. Deswegen muß man zu zweit arbeiten. Einer fährt die Schubkarre, zweiter steuert den Seilzug.
Funk-Schaltlösung des Seilzuges
Um diese Arbeiten allein zu schaffen ist eine Verlängerung des Steuerkabels keine gute Idee, weil man das Kabel ca. 12 m. lang braucht. Das wird sich immer schlingen und es gibt immer die Beschädigungsgefahr. In diesem Fall ist eine Funksteureung des Seilzuges bevorzugend. Außerdem kostet die Funk-Schaltlösung im Vergleich zu dem 12 m langen Kabel, der bei dem Seilzug GSZ 100/200 vier Adern hat, sogar preisgünstiger.
Für den praktischen Einsatz ist der Funk-Schalter CMR-500, der folgende technische Daten hat: Input - 230V~50Hz, Pmax – 1000 Watt, Max. Load - 8 Amp, verwendet worden. Zur Steuerung des Funk-Schalters CMR-500 sind folgende Funk-Sender möglich: Handsender Type YCT-100, ITS-150 und PAR-100.
Funksender hat die Reichweite ca.20-25 m. Das überdeckt genug den Arbeitsbereich des Zugseiles, der max. 12 m beträgt.
Funk-Schalter CMR-500 hat Abschaltautomatik, welche den Strom nach ca.2 Minuten unterbricht. Der Seilzug hat die Geschwindigkeit 10m/min. Für die 12 m Seillänge beträgt maximale Hubzeit 1,2 min. Das ist wenige als die Zeit der Abschaltautomatik des Funk-Schalters, deshalb macht die Abschaltautomatik keine unerwünschte Unterbrechung bei der Arbeit des Seilzuges.
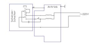
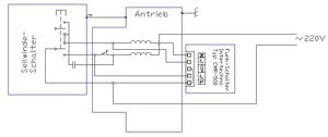
Obwohl in dem Seilzug GSZ 100/200 kein Funk-Schalter vorgesehen ist, kann der Funk-Einbauschalter ohne große Aufwände in das elektrische Schema des Seilzuges eingebaut werden. Zum Einbau bedarf es keiner besonderen Fachkenntnisse. Der Schaltplan des Seilzuges ohne den Funk-Schalter wird im Bild 4 gezeigt. Im Bild 5 wird der Schaltplan des Seilzugs mit der eingebauten Funksteuerung dargestellt. Das Schalten des Seilzuges von eigenem Schalter mit dem Kabel bleibt auch möglich.
Im Bild 6 wird Kabelplan des Seilzuges und Anschluss der Funksteuerung (markierte Verkabelung) gezeigt.
Im Bild 7 wird die Konstruktuion des Seilzuges mit Funksteuerung gezeigt. Funk-Schalter gegen Feuchtigkeit und Schmutz wird in eine Verteildose (Schutzklasse IP-65) eingebaut. Die Verteildose wird auf dem Gehäuse des Antriebes montiert.
Zusammenfassung
Der Einsatz des Seilzuges mit der Funksteuerung bei Erdarbeiten am Hang hat gezeigt, dass sogar solche schwere und erschöpfende Arbeit, wie die Erde zu bewegen, Spaß machen kann. Die Arbeit mit der Schubkarre braucht jetzt keine körperlich starke Männer. Bei der Arbeit am Hang entwickelt der Seilzug die notwendige Zugkraft. Die Bedienung des Seilzuges per Funk ist sehr komfortabel und einfach. Das Transportieren der Schubkarre mit Schütgütter am Hang und die Steuerung des Seilzuges kann von einer Person ausgeführt werden.
