Aus RN-Wissen.de
Wechseln zu: Navigation, Suche
Balkonkraftwerk Speicher und Wechselrichter Tests und Tutorials

(FAQ)
(Mehr Ausgänge für den CCRP5: Text und Bild)
Zeile 385: Zeile 385:
  
 
====Mehr Ausgänge für den CCRP5====
 
====Mehr Ausgänge für den CCRP5====
 +
 +
Nach folgendem Schema lassen sich weitere Schieberegister an den CCRP5 anschließen. Ohne Änderung der mitgelieferten Software lassen sich diese allerdings nicht betreiben.
 +
 +
 +
[[Bild:CCRP5 Porterweiterung.png|800px|Porterweiterung]]
  
 
===Subsystem===
 
===Subsystem===

Version vom 3. Oktober 2006, 09:22 Uhr

Baustelle.gif An diesem Artikel arbeitet gerade Mitglied pischke.

Am besten momentan noch keine gravierenden Ergänzungen / Änderungen vornehmen.

Dieser Hinweis verschwindet wenn der Autor soweit ist. Sollte dieser Hinweis länger als drei Tage auf einer Seite sein, bitte beim Autor pischke per PM / Mail oder Forum nachfragen ob er vergessen wurde.

Einleitung

CCRP5 steht für C-CONTROL ROBOTER PROJECT 5 und bezeichnet ein Produkt der Firma Conrad Electronic GmbH in Hirschau, welches seit Ende 2003 auf dem Markt ist. Mechanisch und elektrisch wird das System bereits fertiggestellt geliefert, ist aber dennoch erweiterbar. Zur Inbetriebnahme muss nur der Mikrocontroller (µC) programmiert werden. Dies geschieht mit Hilfe der im Lieferumfang befindlichen Entwicklungsumgebung (IDE), in der aus einem Quelltext in der firmeneigenen Programmiersprache CCBASIC ein entsprechendes Programm für den µC erzeugt wird (Cross-Compiling). Dieses kann aus der IDE heraus über eine serielle Schnittstelle des PC (Host) auch in den µC (Target) übertragen werden, welcher während dieser Zeit in der Schaltung verbleibt (In-System-Programming, kurz: ISP). Ebenfalls im Lieferumfang befinden sich praktikable Beispielprogramme, sodass sich der Arbeitsaufwand ein experimentierbereites System zu erstellen, auf ein Minimum beschränkt. Um die Möglichkeit der Simulation des µC, welche die Entwicklungsumgebung bietet, nutzen zu können, empfiehlt sich der Einsatz eines Windows-PC.

Conrad Electronic bewirbt den CCRP5 namentlich für die Zielgruppe der Einsteiger, doch stellt die m.E. als spärlich zu bezeichnende Dokumentation gerade den Einsteiger in die MSR-Technik vor nahezu unüberwindbare Schwierigkeiten. Zu vieles, was zur Nachvollziehbarkeit und somit zum Verständnis näher erläutert werden müßte, ist dort nur äußerst knapp umrissen oder kompliziert dargestellt. So mag mancher, der einen CCRP5 erworben hat, doch schnell die Freude daran verloren haben, obwohl der CCRP5 m.E. auf Grund seines hohen Vorfertigungsgrades einen guten Einstieg darstellt. Alles ist komplett und funktioniert - Baufehler können ausgeschlossen werden, wenn etwas nicht funktioniert und man kann sich über die Programmierung langsam Stück für Stück mit der gesamten MSR-Technik vertraut machen.

Aufgabe dieses Artikels ist, die zuvor erwähnte Lücke in der Dokumentation des CCRP5 zu schließen und eben diese Einarbeitung zu ermöglichen, in dem beschrieben wird, was im CCRP5 so alles passiert. But nobody's perfect - auch nicht dieser Artikel. Fragen, die sich nicht aus dem Artikel selbst beantworten, Wünsche und Anregungen, zu denen auch sachliche Kritik gehört, bitte an ccrp5@web.de!

Mechanik

Beschreibung

Diese Abbildung gibt einen Einblick in das Innere des Gehäuses bei demontierter Hauptplatine. Hierzu sind die vier einzigen Rundkopf-Kreuzschlitz- schrauben auf der Hauptplatine heraus zu drehen.

Das Fahrgestell des CCRP5 (auch einzeln erhältlich) besteht aus einer längs geteilten, symmetrischen Kunststoffwanne, die nach oben hin von der Hauptplatine abgedeckt wird. In jeder Gehäusehälfte befindet sich ein eigenständiger Antrieb, bestehend aus Antriebsmotor mit Getriebe und außenliegendem, heckgetriebenem Raupenband. Ein seitliches Herunterrutschen des Raupenbandes wird im Querschnitt durch Formschluss mit dem Antriebs-, bzw. Umlenkrad verhindert. Die elektrischen Anschlüsse der Antriebsmotoren sind durch leicht entfernbare Abdeckungen an den beiden Längsseiten des Fahrgestells gut zugänglich.

In der linken Hälfte der Abbildung erkennt man den durch einen Stellring gesicherten rechten Vorderachsstummel. Vorder- und Hinterachsstummel sind in Gleitlagerbuchsen gelagert. In der rechten Hälfte sieht man das Getriebe mit dem dahinter befindlichen Antriebsmotor. Es handelt sich hierbei um ein dreistufiges Stirnradgetriebe mit Polyamid-Zahnrädern in der Verzahnungsgröße Modul 0,5.

Übersetzung

In der Konfiguration mit jeweils 12 Zähnen am treibenden und jeweils 50 Zähnen am getriebenen Zahnrad ergibt sich für das Getriebe eine Gesamtübersetzung von


[math]i_{gesamt}=i_{1}\cdot i_{2}\cdot i_{3}=\frac{z_{2}}{z_{1}}\cdot\frac{z_{4}}{z_{3}}\cdot\frac{z_{6}}{z_{5}}=\frac{50}{12}\cdot\frac{50}{12}\cdot\frac{50}{12}=\frac{50^{3}}{12^{3}}=\frac{125000}{1728}=72\frac{73}{216}[/math]


So ändert sich die Drehzahl am Antriebsrad des Raupenbandes (hier Index 2) gegenüber der Drehzahl an der Motorwelle (hier Index 1) wie folgt:


[math]n_{2}=\frac{n_{1}}{i}=\frac{n_{1}}{72}[/math]


Die Drehzahl am Antriebsrad beträgt also nur den 72-ten Teil der Motordrehzahl. Dafür steigt das Drehmoment im Verhältnis


[math]M_{2}=i\cdot {M_{1}}=72\cdot {M_{1}}[/math]


auf das 72-fache des ursprünglich an der Motorwelle verfügbaren Wertes.

Elektromechanik

Beschreibung

Die elektromechanische Ausrüstung des CCRP5 besteht in der Grundausstattung aus den beiden Antriebsmotoren und zwei Gabellichtschranken. Leider sind für die Antriebsmotoren keine Kenndaten bei der Conrad Electronic GmbH erhältlich.

Odometrie

Die Gabellichtschranken sind von der Unterseite her mit der Hauptplatine verlötet und verschraubt. Dabei sind sie so plaziert, daß der Lichtweg zwischen Sender und Empfänger von einem der Zahnräder des Getriebes unterbrochen wird. In dieses Zahnrad wurde in entsprechendem Radius eine Bohrung eingebracht, sodaß nun mit jeder Umdrehung dieses Zahnrades ein Impuls der Lichtschranke erzeugt wird. Auf diese Art wird eine indirekte Messung des Weges möglich, den das Fahrgestell bei seiner Fortbewegung zurückgelegt hat (Odometrie). Dieser Weg errechnet sich wie folgt:


Übersetzung [math]i=\frac{z_{2}}{z_{1}}=\frac{50}{12}=\frac{25}{6}[/math]


Aus der Übersetzung ergibt sich die Drehzahl des angetriebenen Zahnrades, welches mit dem Antriebsrad verbunden ist:


Drehzahl [math]n_{2}=\frac{n_{1}}{i}=\frac{1\cdot 6}{25}[/math] Umdrehungen (oder 86°)


Der Durchmesser des Antriebsrades, gemessen über die Außenflächen des Raupenbandes - denn dort rollt sich das Raupenband ja ab - beträgt ca. 50 mm. So gelangt man über die Beziehung


[math]U=d\cdot \pi[/math]


auf die abgerollte Länge einer Umdrehung des Antriebsrades:


[math]U=50mm \cdot \pi\approx 157 mm[/math]


Eine [math]\frac{6}{25}[/math] Umdrehung entspricht dann [math]157mm\cdot\frac{6}{25}\approx38mm[/math]


Mit dieser Schrittweite läßt sich also die Fortbewegung des Fahrgestells überwachen, doch dies hält sich durch Schlupf zwischen Antriebsrad und unverzahntem Raupenband, sowie Schlupf zwischen Raupenband und Untergrund in (physikalischen) Grenzen.

Elektronik

Beschreibung

Die Hauptplatine ist doppelseitig und durchkontaktiert, mißt 185 x 128 mm und wurde beidseitig mit einer schwarzer Lötstopmaske versehen. Ebenso die frontseitige Sensorplatine, welche 80 x 19 mm mißt. Die meisten Bauteile sind in SMD-Technik ausgeführt. Mit Hilfe von abgewinkelten Stiftleisten ist die Sensorplatine an der Außenkante der Hauptplatine rechtwinklig zur deren Unterseite verlötet. Die Bestückungsseite zeigt dabei nach außen. Die Hauptplatine wird so auf das Fahrgestell montiert, daß diese Seite in Bewegungsrichtung vorne liegt (zur Erinnerung: die Getriebe liegen hinten).

Funktionsschaubild

Hier ein Funktionsschaubild der Elektronik des CCRP5:

Funktionsschaubild der Elektronik des CCRP5


Auch die komplizierteste Schaltung besteht aus einzelnen Funktionselementen, welche einzeln für sich betrachtet und nachvollzogen, das Verständnis der Gesamtschaltung ermöglichen. Nachfolgend werden die Schaltungen der Elemente des obigen Funktionsschaubildes anhand von Schaltungsauszügen beschrieben. Diese wurden aus den Unterlagen der Conrad Electronic GmbH erstellt, werden aber aus Haftungsgründen ohne jegliche Gewähr für die Richtigkeit veröffentlicht. Die Verwendung der darin enthaltenen Informationen erfolgt auf eigenes Risiko.

Hauptprozessor

Schaltungsauszug

Im Zentrum der Schaltung des CCRP5 liegt die C-Control 1. Sie basiert auf einem µC vom Typ MC68HC05B6 der Firma Freescale Semiconductor.


Hauptprozessor


Die C-Control ist mit der gesamten Peripherie verbunden - entweder direkt oder über weitere Bausteine. Deshalb findet sich hier die höchste Dichte an ankommenden und abgehenden Leitungen. Nachfolgend eine alphabetische Auflistung der im Schaltungsauszug verwendeten Leitungskürzel und deren Zuordnungen:

AEL ACS-Empfänger, links- AER ACS-Empfänger, rechts- BAT Batterie(spannungs)sensor
DAT Datenleitung Subsystem/Schieberegister GND Masse IRQ Interrupt-Request
LAD Ladestromsensor LIV Motordrehrichtungssteuerung, links- MIC Mikrofon
MOL Motordrehzahlsteuerung, links- MOR Motordrehzahlsteuerung, rechts- MTS Motorstromsensor
REF Referenzspannung REV Motordrehrichtungssteuerung, rechts- RST Reset
SDA Datenleitung I2C-Bus SDL Taktleitung I2C-Bus SEF Sensorfeld
SRC Taktleitung Schieberegister STR Steuerleitung Schieberegister SUC Taktleitung Subsystem
VCC Versorgungsspannung / / / /

Anm.: C9 und C11, sowie R11 und R29 sind auch in den Original-Unterlagen von Conrad Electronic wie gezeigt geschaltet und auf der Platine bestückt.

Schaltungsbeschreibung

IC7 (MC68HC05B6) liegt über Pin 10 (VDD) an der direkt aus der Batterie gespeisten Versorgungsspannung. Aus den technischen Daten dieses IC geht hervor, daß dessen Versorgungsspannung maximal 7 Volt betragen darf. Vom Einsatz von Primärzellen in der Batterie ist daher abzuraten, da die Versorgungsspannung sonst (6x1,5V=) 9 Volt beträgt. C8, C9 und C11 sind gegen Masse geschaltet und filtern zusammen mit anderen Kondensatoren in der Gesamtschaltung so Störspitzen aus der Versorgungsspannung heraus. C9 oder C11 könnte m.E. entfallen. Über Pin 41 (VSS) liegt IC7 an Masse.

Damit IC7 in Betrieb genommen werden kann, muß die Reset-Leitung auf logisch "1" (HIGH) liegen. Das bedeutet, daß hier mindestens 70% der Versorgungsspannung (Pin 10/VDD) anliegen müssen. Dies wird durch den Pull-Up-Widerstand R10 erreicht, der Pin 18 (RESET) mit der Versorgungsspannung verbindet. Bliebe diese Leitung auf logisch "0" (LOW) - maximal 20% der Versorgungsspannung (Pin 10/VDD) - würde der Controller im (Power-on-)Reset-Status verweilen.

Wird nun S1 (der rote SMD-Taster auf der Platine) betätigt, verhindert R10 einen Kurzschluß, indem er den nun fließenden Strom auf einen minimalen Betrag begrenzt. Die gesamte Versorgungsspannung fällt an ihm ab und an Pin 18 (RESET) liegt LOW an. Dies veranlaßt die Watchdog-Schaltung einen Reset im Controller auszulösen, der ihn neu startet.

Gleiches erzielt der Spannungswächter IC5 (TL7757), wenn die Versorgungsspannung einen Wert von nominal 4,55 Volt unterschreitet. R21 entstammt m.E. der Applikationsschaltung des TL7757, in der davon ausgegangen wird, daß noch kein Pull-up-Widerstand vorhanden ist und dient hier zusätzlich zur Strombegrenzung, wenn IC5 die Reset-Leitung auf Masse schaltet. Mit R10 zusammen bildet dieser Widerstand einen parallel geschalteten Pull-Up-Gesamtwiderstand von 5 kOhm. Einer dieser beiden Widerstände könnte m.E. entfallen.

Mehr braucht der Controller grundsätzlich erstmal nicht, um betriebsbereit zu sein, denn er verfügt über einen internen Oszillator mit 2,1 MHz Taktfrequenz. Möchte man diese auf bis zu 4,2 MHz erhöhen (von 12 MHz ist in den technischen Daten nicht die Rede), so kann man entweder einen externen Taktgeber an Pin 16 (OSC1) oder frequenzbestimmende Bauteile zwischen Pin 16 (OSC1) und Pin 17 (OSC2) anschließen.

Abschnitt 2.5.8.3 der technischen Daten des MC68HC05B6 liefert auf Seite 2-12 die entsprechenden Schaltungen und Bauteilwerte. Möchte man eine über längere Zeit stabile Taktfrequenz erzielen, um den Controller z.B. für Zeitmessungen nutzen zu können, empfiehlt sich die dort in Abb. 2-5(a) gezeigte Quarz-Variante. Diese findet sich mit den in den technischen Daten empfohlenen Bauteilwerten im Original-Schaltplan wieder und somit auch im obigen Schaltungsauszug.

Die beiden letzten, nicht vom Betriebssystem "C-Control" im User-ROM kontrollierten Anschlüsse sind Pin 7 (VRL) und Pin 8 (VRH). Hier liegen Referenzspannungen an, die mit dem oberen (Pin8/VRH) und unteren (Pin7/VRL) Grenzwert den Meßbereich des A/D-Wandlers festlegen. Pin 7 (VRL) liegt an Masse. C10 liegt zwischen Pin 8 (VRH) und Masse und filtert so Störspitzen aus der Referenzspannung heraus.

Nach dem Start arbeitet der Controller die Anweisungen des Programms "Betriebssystem" ab. Der MC68HC05B6 wird so zur C-Control 1. Diese wartet in einer Schleife nun auf ein Signal auf Pin 26 (PA5) oder ein über Pin 50 (RDI) empfangenes Kommando-Byte. Pin 50 (RDI) liegt beim Anschluß des CCRP5 an die serielle Schnittstelle des Host-PC an der Leitung TXD, welche gemäß der RS232-Spezifikation mit Pegeln von +/- 12 Volt arbeitet.

Diese werden von T5 (BC847C) - der in Emitterschaltung als elektronischer Schalter arbeitet - gewandelt und invertiert. Bei einem Pegel von +12 Volt fließt ein von R36 begrenzter Basisstrom, der einen dem Verstärkungsfaktor entsprechenden Kollektorstrom fließen läßt, welcher von R35 begrenzt wird - an Pin 50 (RDI) liegt die Sättigungsspannung UCEsat an. Diese wird vom Controller als logisch "0" (LOW) interpretiert.

Beträgt der Pegel -12 Volt, so sperrt die Basis-Emitter-Diode von T5 (die maximal zulässige Emitter-Basis-Spannung UEB von 6V beim BC847C wird dabei um 6 Volt überschritten) und R35 wirkt nun als Pull-Up-Widerstand für Pin 50 (RDI), an dem jetzt die als logisch "1" (HIGH) interpretierte Versorgungsspannung anliegt.

Am zuvor erwähnten Pin 26 (PA5) liegt über die beiden Pull-Up-Widerstände R11 und R29 die Versorgungsspannung an. Wird nun S2 (der schwarze SMD-Taster auf der Platine) betätigt, begrenzen diese beiden Widerstände als parallel geschalteter Pull-Up-Gesamtwiderstand von 9091 Ohm den Strom und verhindern einen Kurzschluß. Die Versorgungsspannung fällt an ihnen ab und an Pin 26 (PA5) liegt LOW an. Dies wurde im Betriebssystem als Startsignal für die C-Control 1 festgelegt.

Die C-Control 1 setzt nun PA3 und PA2 (in dieser Reihenfolge) auf LOW. Da die hier normalerweise angeschlossenen LED "ACTIVE" (gelb) und "RUN" (rot) beim CCRP5 nicht vorhanden sind, bekommt man von außen davon nichts mit. Anschließend beginnt die C-Control 1 aus IC8 (24C65) das Anwenderprogramm auszulesen. Dazu bedient man sich des I2C-Bus-Protokolls.

Pin 31 (PA0) liegt an der Datenleitung des Busses und ist mit Pin 5 (SDA) von IC8 verbunden. R26 dient als Pull-Up-Widerstand für diese Busleitung. Pin 30 (PA1) liegt an der Taktleitung des Busses und ist mit Pin 6 (SCL) von IC8 verbunden. R25 dient als Pull-Up-Widerstand für diese Busleitung. Über Pin 8 (VCC) wird IC8 ebenso wie IC7 direkt aus der Batterie mit Spannung versorgt. Auch hier gilt das eingangs Erwähnte für die Verwendung von Primärzellen.

Befinden sich keine Daten in IC8, werden PA3 und PA2 (in dieser Reihenfolge) wieder auf HIGH gesetzt und das Betriebssystem springt zurück in die Warteschleife.

Damit ein Anwenderprogramm in IC8 geladen werden kann, muß auf Kommando der IDE von der C-Control 1 eine Zeichenkette zurückgesendet werden. Dies geschieht über Pin 52 (TDO), welcher über T4 (BC847C) - wie T5 in Emitterschaltung als elektronischer Schalter - mit der Leitung RXD der seriellen Schnittstelle am Host-PC verbunden ist. Auch diese Leitung arbeitet gemäß der RS232-Spezifikation mit Pegeln von +/- 12 Volt.

Liegt nun an Pin 52 (TDO) ein HIGH-Pegel an, so fließt ein Basisstrom durch T4, der von R33 begrenzt wird. Dieser Basisstrom läßt - wie bei T5 - einen dem Verstärkungsfaktor entsprechenden Kollektorstrom fließen, der durch R34 begrenzt wird. An der Leitung RXD liegt die Sättigungsspannung UCEsat an, welche im Falle des BC847C bei dieser Belastung nicht einmal 100 mV betragen mag.

Bei einem LOW-Pegel an Pin 52 (TDO) fließt kein Basisstrom durch T4 und somit auch kein Kollektorstrom. R34 dient nun als Pull-Up-Widerstand für die Leitung RXD an der seriellen Schnittstelle des Host-PC und sorgt für einen Pegel entsprechend der Versorgungsspannung, die maximal 7,2 Volt beträgt.

Die Übertragung mag mit diesen Pegeln (0,1V/7,2V statt +/- 12V) funktionieren, ist aber m.E. gegenüber einem Schnittstellen-Pegelwandler wie z.B. dem MAX232 keine saubere Lösung.

Port A des Controllers ist vollständig vom Betriebssystem "C-Control 1" belegt. Ebenso wie PA2 (RUN/rot) und PA3 (ACTIVE/gelb), werden PA4 (DCF OK/grün), PA6 (RTS) und PA7 (CTS) beim CCRP5 nicht verwendet. Die restlichen Resourcen des Controllers teilen sich in vom CCRP5 belegte und noch freie Anschlüsse auf.

Über Pin 35 (PB4) und Pin 34 (PB5) wird die Drehrichtung des linken, bzw. rechten Antriebsmotors gesteuert. Die beiden D/A-Wandler des Controllers sind ebenfalls fest vom CCRP5 belegt und steuern die Drehzahl des linken (Pin20/PLMA), bzw. rechten (Pin21/PLMB) Antriebsmotors. Der Motorstrom kann über den Motorstromsensor gemessen werden, der an Pin 14 (PD0/AN0) angeschlossen ist.

Die Versorgung des Subsystems und des Schieberegisters mit Daten erfolgt über eine gemeinsame Datenleitung, welche an Pin 39 (PB0) angeschlossen ist. Zwei getrennte Taktleitungen - Pin 38 (PB1) für das Subsystem und Pin 37 (PB2) für das Schieberegister - sorgen dabei für eine korrekte Zuordnung der Daten auf der Datenleitung. Über ein unbenutztes NAND-Gatter (IC13) der Motorbrückenschaltung wird das Taktsignal für das Schieberegister invertiert. An Pin 36 (PB3) ist die Steuerleitung des Schieberegisters angeschlossen.

Um direkt auf Signale der ACS-Empfänger, bzw. des IR-Empfängers reagieren zu können, ist Pin 19 (IRQ) mit dem Subsystem verbunden. R23 dient hier als Pull-Up-Widerstand. Wenn das Subsystem seinen entsprechenden Ausgang auf LOW setzt, fließt hier ein Strom, der diesen Ausgang natürlich nicht überlasten darf. Die Versorgungsspannung fällt an R23 ab und an Pin 19 (IRQ) liegt ein LOW-Pegel an, der von der Watchdog-Schaltung registriert und als Signal im Controller weitergeleitet wird. Im Anwenderprogramm kann auf dieses Signal dann sofort mit einer Interrupt-Routine reagiert werden.

Wenn die Versorgungsspannung den Betrag von 6 Volt unterschreitet, ist die Entladeschlußspannung von 1 Volt pro Zelle erreicht und der Betrieb des CCRP5 sollte eingestellt werden. Die Versorgungsspannung kann über Pin 12 (PD2/AN2) überwacht werden. Der beim anschließend erfolgenden Ladevorgang fließende Ladestrom kann über Pin 13 (PD1/AD1) überwacht werden. Dazu muß gesagt werden, daß über den Parameter Ladestrom allein bei NiCd- oder NiMH-Zellen kein Ladeschluß definiert werden kann.

Freie Resourcen

Zur individuellen Nutzung sind folgende Resourcen des Controllers noch frei:

Bezeichner Art Pin verfügbar über
PB6 digitaler Ein- oder Ausgang 33 Y41 und Y81
PB7 digitaler Ein- oder Ausgang 32 Y40 und Y80
PC0 digitaler Ein- oder Ausgang 49 Y9
PC1 digitaler Ein- oder Ausgang 48 Y10
PC2/ECLK digitaler Ein- oder Ausgang 47 Y11
PC3 digitaler Ein- oder Ausgang 46 Y12
PC4 digitaler Ein- oder Ausgang 45 Y13
PC5 digitaler Ein- oder Ausgang 44 Y14
PC6 digitaler Ein- oder Ausgang 43 Y15
PC7 digitaler Ein- oder Ausgang 42 Y16
TCAP1 DCF-77 Zeitsignaleingang 22 Y75
TCAP2 Frequenzmeßeingang 23 Y76
PD3/AN3 A/D-Wandlereingang 11 Y22
PD4/AN4 A/D-Wandlereingang 9 Y24
PD5/AN5 A/D-Wandlereingang 5 Y26
PD6/AN6 A/D-Wandlereingang 4 Y28
PD7/AN7 A/D-Wandlereingang 3 Y6

Wobei Pin 11 (PD3/AN3) durch Überbrückung von Y21/Y22 mit einem Jumper mit dem auf der Platine des CCRP5 angebrachten Mikrofon verbunden werden kann; Pin 9 (PD4/AN4) durch Überbrückung von Y23/Y24 mit dem Sensorfeld; Pin 5 (PD5/AN5) durch Überbrückung von Y25/Y26 mit dem linken ACS-Empfänger und Pin 4 (PD6/AN6) durch Überbrückung von Y27/Y28 mit dem rechten ACS-Empfänger.

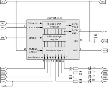
Schieberegister

Schaltungsauszug

Das Schieberegister dient im CCRP5 als Seriell-Parallel-Wandler, um Resourcen des Controllers einzusparen. Mit drei Leitungen werden acht Funktionen gesteuert.


Schieberegister


Nachfolgend eine alphabetische Auflistung der im Schaltungsauszug verwendeten Leitungskürzel und deren Zuordnungen:

AE1 ACS-Sender, Steuerleitung 1 AE2 ACS-Sender, Steuerleitung 2 DAT Datenleitung vom Hauptprozessor
GND Masse SRC Taktleitung vom Hauptprozessor STR Steuerleitung vom Hauptprozessor
SV1 Spannungsversorgung, Zweig 1 SV2 Spannungsversorgung, Zweig 2 VCC Versorgungsspannung

Schaltungsbeschreibung

IC11 (74HC4094D) wird über Pin 16 direkt aus der Batterie mit Spannung versorgt. Aus den technischen Daten dieses IC geht hervor, daß dessen Versorgungsspannung maximal 7 Volt betragen darf. Vom Einsatz von Primärzellen in der Batterie ist daher abzuraten, da die Versorgungsspannung sonst (6x1,5V=) 9 Volt beträgt. C20 ist gegen Masse geschaltet und filtert so Störspitzen aus der Versorgungsspannung heraus. Über Pin 8 ist IC13 mit Masse verbunden.


Die Leitungen STR auf Pin 1, DAT auf Pin 2 und SRC auf Pin 3 kommen vom Hauptprozessor und steuern das Schieberegister.


Wechselt der Signalzustand auf der Leitung SRC (Pin 3 / "Clock") von LOW nach HIGH, so wird der zu diesem Zeitpunkt auf der Leitung DAT (Pin 2 / "Serial in") herrschende Signalpegel - LOW (logisch "0") oder HIGH (logisch "1") - im ersten Bit des insgesamt 8 Bit breiten Schieberegisters von IC11 gespeichert. Der zuvor dort gespeicherte Wert wird in das nächsthöhere Bit des Registers übertragen. Gleiches geschieht auch mit den anderen Bits im Schieberegister und das letzte Bit - mit der Nummer acht - fällt dabei heraus. Sein Inhalt liegt dann an Pin 9 / Serial out. Mit einem Impuls an der Leitung STR (Pin 1 / "Strobe") wird der Inhalt des Schieberegisters in das Speicherregister von IC11 übertragen. Da an Pin 15 / "Output enable" durch direkten Anschluß an die Versorgungsspannung immer ein HIGH-Pegel anliegt, ist der Inhalt des Speicherregisters ständig an den Parallel-Ausgängen sichtbar. Diese Ausgänge sind gemäß Datenblatt mit 25 mA belastbar.


Über den Parallel-Ausgang 0, Pin 4, werden

  • Subsystem,
  • IR-Empfänger und
  • Odometrie-Sensorik

mit Spannung versorgt, dieser Ausgang kann somit als Ein-/Ausschalter für diese Komponenten betrachtet werden.


Über den Parallel-Ausgang 1, Pin 5 und den Parallel-Ausgang 2, Pin 6, wird in drei Stufen die Reichweite des ACS-Senders gesteuert.


Über den Parallel-Ausgang 3, Pin 7, werden

  • Motorstromsensor,
  • Referenzspannungserzeugung,
  • Sensorfeld,
  • Mikrofon und
  • ACS-Empfänger

mit Spannung versorgt, dieser Ausgang kann somit als Ein-/Ausschalter für diese Komponenten betrachtet werden.


Parallel-Ausgang 4, Pin 14, bringt über den Vorwiderstand R40 die LED D13 zum Leuchten;
Parallel-Ausgang 5, Pin 13 über den Vorwiderstand R45 die LED D14;
Parallel-Ausgang 6, Pin 12 über den Vorwiderstand R48 die LED D15 und
Parallel-Ausgang 7, Pin 11 über den Vorwiderstand R51 die LED D16.

Mehr Ausgänge für den CCRP5

Nach folgendem Schema lassen sich weitere Schieberegister an den CCRP5 anschließen. Ohne Änderung der mitgelieferten Software lassen sich diese allerdings nicht betreiben.


Porterweiterung

Subsystem

Schaltungsauszug

Schaltungsbeschreibung

Software

Technische Daten

(mit montierter Hauptplatine)

Länge ca. 200 mm
Breite ca. 130 mm
Höhe ca. 90 mm
Gewicht ca. 750 g (mit sechs AA-Zellen)

ToDo

  • erstmal fertigschreiben

  • Maximale Tragfähigkeit ermitteln
  • Maximale Geschwindigkeit ermitteln

FAQ

Q: Was kann man mit dem CCRP5 so alles machen?
A: Das hängt von den drei "G" ab ... Geld, Grips und Greativität ;->

Autor/en

Siehe auch

Weblinks


LiFePO4 Speicher Test