(→Elektronik) |
(→Elektronik) |
||
| Zeile 78: | Zeile 78: | ||
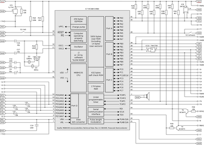
| − | [[Bild:CCRP5 Prozessor.png|thumb|Im Zentrum der Schaltung des CCRP5 liegt die C-Control 1. Sie basiert auf einem µC vom Typ MC68HC05B6 der Firma Freescale Semiconductor.]] | + | [[Bild:CCRP5 Prozessor.png|400px|thumb|Im Zentrum der Schaltung des CCRP5 liegt die C-Control 1. Sie basiert auf einem µC vom Typ MC68HC05B6 der Firma Freescale Semiconductor.]] |
Die C-Control ist mit der gesamten Peripherie verbunden - entweder direkt oder über weitere Bausteine. Deshalb findet sich hier die höchste Dichte an ankommenden oder abgehenden Leitungen. Hier eine alphabetische Auflistung der im nebenstehenden Schaltungsauszug verwendeten Kürzel und deren Zuordnungen: | Die C-Control ist mit der gesamten Peripherie verbunden - entweder direkt oder über weitere Bausteine. Deshalb findet sich hier die höchste Dichte an ankommenden oder abgehenden Leitungen. Hier eine alphabetische Auflistung der im nebenstehenden Schaltungsauszug verwendeten Kürzel und deren Zuordnungen: | ||
Version vom 24. September 2006, 09:53 Uhr
|
An diesem Artikel arbeitet gerade Mitglied pischke.
Am besten momentan noch keine gravierenden Ergänzungen / Änderungen vornehmen. Dieser Hinweis verschwindet wenn der Autor soweit ist. Sollte dieser Hinweis länger als drei Tage auf einer Seite sein, bitte beim Autor pischke per PM / Mail oder Forum nachfragen ob er vergessen wurde. |
CCRP5 steht für C-CONTROL ROBOTER PROJECT 5 und bezeichnet ein Produkt der Firma Conrad Electronic GmbH in Hirschau, welches seit Ende 2003 auf dem Markt ist. Mechanisch und elektrisch wird das System bereits fertiggestellt geliefert, ist aber dennoch erweiterbar. Zur Inbetriebnahme muss nur der Mikrocontroller (µC) programmiert werden. Dies geschieht mit Hilfe der im Lieferumfang befindlichen Entwicklungsumgebung (IDE), in der aus einem Quelltext in der firmeneigenen Programmiersprache CCBASIC ein entsprechendes Programm für den µC erzeugt wird (Cross-Compiling). Dieses kann aus der IDE heraus über eine serielle Schnittstelle des PC (Host) auch in den µC (Target) übertragen werden, welcher während dieser Zeit in der Schaltung verbleibt (In-System-Programming, kurz: ISP). Ebenfalls im Lieferumfang befinden sich praktikable Beispielprogramme, sodass sich der Arbeitsaufwand ein experimentierbereites System zu erstellen, auf ein Minimum beschränkt. Um die Möglichkeit der Simulation des µC, welche die Entwicklungsumgebung bietet, nutzen zu können, empfiehlt sich der Einsatz eines Windows-PC.
Inhaltsverzeichnis
Mechanik
Das Fahrgestell des CCRP5 (auch einzeln erhältlich) besteht aus einer längs geteilten, symmetrischen Kunststoffwanne, die nach oben hin von der Hauptplatine abgedeckt wird. In jeder Gehäusehälfte befindet sich ein eigenständiger Antrieb, bestehend aus Antriebsmotor mit Getriebe und außenliegendem, heckgetriebenem Raupenband. Ein seitliches Herunterrutschen des Raupenbandes wird im Querschnitt durch Formschluss mit dem Antriebs-, bzw. Umlenkrad verhindert. Die elektrischen Anschlüsse der Antriebsmotoren sind durch leicht entfernbare Abdeckungen an den beiden Längsseiten des Fahrgestells gut zugänglich.
In der linken Hälfte der Abbildung erkennt man den durch einen Stellring gesicherten rechten Vorderachsstummel. Vorder- und Hinterachsstummel sind in Gleitlagerbuchsen gelagert. In der rechten Hälfte sieht man das Getriebe mit dem dahinter befindlichen Antriebsmotor. Es handelt sich hierbei um ein dreistufiges Stirnradgetriebe mit Polyamid-Zahnrädern in der Verzahnungsgröße Modul 0,5.
In der Konfiguration mit jeweils 12 Zähnen am treibenden und jeweils 50 Zähnen am getriebenen Zahnrad ergibt sich für das Getriebe eine Gesamtübersetzung von
[math]i_{gesamt}=i_{1}\cdot i_{2}\cdot i_{3}=\frac{z_{2}}{z_{1}}\cdot\frac{z_{4}}{z_{3}}\cdot\frac{z_{6}}{z_{5}}=\frac{50}{12}\cdot\frac{50}{12}\cdot\frac{50}{12}=\frac{50^{3}}{12^{3}}=\frac{125000}{1728}=72\frac{73}{216}[/math]
So ändert sich die Drehzahl am Antriebsrad des Raupenbandes (hier Index 2) gegenüber der Drehzahl an der Motorwelle (hier Index 1) wie folgt:
[math]n_{2}=\frac{n_{1}}{i}=\frac{n_{1}}{72}[/math]
Die Drehzahl am Antriebsrad beträgt also nur den 72-ten Teil der Motordrehzahl. Dafür steigt das Drehmoment im Verhältnis
[math]M_{2}=i\cdot {M_{1}}=72\cdot {M_{1}}[/math]
auf das 72-fache des ursprünglich an der Motorwelle verfügbaren Wertes.
Elektromechanik
Die elektromechanische Ausrüstung des CCRP5 besteht in der Grundausstattung aus den beiden Antriebsmotoren und zwei Gabellichtschranken. Leider sind für die Antriebsmotoren keine Kenndaten bei der Conrad Electronic GmbH erhältlich. Die Gabellichtschranken sind von der Unterseite her mit der Hauptplatine verlötet und verschraubt. Dabei sind sie so plaziert, daß der Lichtweg zwischen Sender und Empfänger von einem der Zahnräder des Getriebes unterbrochen wird. In dieses Zahnrad wurde in entsprechendem Radius eine Bohrung eingebracht, sodaß nun mit jeder Umdrehung dieses Zahnrades ein Impuls der Lichtschranke erzeugt wird. Auf diese Art wird eine indirekte Messung des Weges möglich, den das Fahrgestell bei seiner Fortbewegung zurückgelegt hat (Odometrie). Dieser Weg errechnet sich wie folgt:
Übersetzung [math]i=\frac{z_{2}}{z_{1}}=\frac{50}{12}=\frac{25}{6}[/math]
Aus der Übersetzung ergibt sich die Drehzahl des angetriebenen Zahnrades, welches mit dem Antriebsrad verbunden ist:
Drehzahl [math]n_{2}=\frac{n_{1}}{i}=\frac{1\cdot 6}{25}[/math] Umdrehungen (oder 86°)
Der Durchmesser des Antriebsrades, gemessen über die Außenflächen des Raupenbandes - denn dort rollt sich das Raupenband ja ab - beträgt ca. 50 mm. So gelangt man über die Beziehung
[math]U=d\cdot \pi[/math]
auf die abgerollte Länge einer Umdrehung des Antriebsrades:
[math]U=50mm \cdot \pi\approx 157 mm[/math]
Eine [math]\frac{6}{25}[/math] Umdrehung entspricht dann [math]157mm\cdot\frac{6}{25}\approx38mm[/math]
Mit dieser Schrittweite läßt sich also die Fortbewegung des Fahrgestells überwachen, doch dies hält sich durch Schlupf zwischen Antriebsrad und unverzahntem Raupenband, sowie Schlupf zwischen Raupenband und Untergrund
in (physikalischen) Grenzen.
Elektronik
Die Hauptplatine ist doppelseitig und durchkontaktiert, mißt 185 x 128 mm und wurde beidseitig mit einer schwarzer Lötstopmaske versehen. Ebenso die frontseitige Sensorplatine, welche 80 x 19 mm mißt. Die meisten Bauteile sind in SMD-Technik ausgeführt. Mit Hilfe von abgewinkelten Stiftleisten ist die Sensorplatine an der Außenkante der Hauptplatine rechtwinklig zur deren Unterseite verlötet. Die Bestückungsseite zeigt dabei nach außen. Die Hauptplatine wird so auf das Fahrgestell montiert, daß diese Seite in Bewegungsrichtung vorne liegt (zur Erinnerung: die Getriebe liegen hinten).
Hier ein Funktionsschaubild der Elektronik des CCRP5:
Auch die komplizierteste Schaltung besteht aus einzelnen Funktionselementen, welche einzeln für sich betrachtet und nachvollzogen, das Verständnis der Gesamtschaltung ermöglichen. Nachfolgend werden die Schaltungen der Elemente des obigen Funktionsschaubildes anhand von Schaltungsauszügen beschrieben. Diese wurden aus den Unterlagen der Conrad Electronic GmbH erstellt, werden aber aus Haftungsgründen ohne jegliche Gewähr für die Richtigkeit veröffentlicht. Die Verwendung der darin enthaltenen Informationen erfolgt auf eigenes Risiko.
Die C-Control ist mit der gesamten Peripherie verbunden - entweder direkt oder über weitere Bausteine. Deshalb findet sich hier die höchste Dichte an ankommenden oder abgehenden Leitungen. Hier eine alphabetische Auflistung der im nebenstehenden Schaltungsauszug verwendeten Kürzel und deren Zuordnungen:
| AEL | ACS-Empfänger, links- |
| AER | ACS-Empfänger, rechts- |
| BAT | Batterie(spannungs)sensor |
| DAT | Datenleitung Subsystem/Schieberegister |
| GND | Masse |
| IRQ | Interrupt-Request |
| LAD | Ladestromsensor |
| LIV | Motordrehrichtungssteuerung, links- |
| MIC | Mikrofon |
| MOL | Motordrehzahlsteuerung, links- |
| MOR | Motordrehzahlsteuerung, rechts- |
| MTS | Motorstromsensor |
| REF | Referenzspannung |
| REV | Motordrehrichtungssteuerung, rechts- |
| RST | Reset |
| SDA | Datenleitung I2C-Bus |
| SDL | Taktleitung I2C-Bus |
| SEF | Sensorfeld |
| SRC | Taktleitung Schieberegister |
| STR | Steuerleitung Schieberegister |
| SUC | Taktleitung Subsystem |
| VCC | Versorgungsspannung |
Software
Technische Daten
(mit montierter Hauptplatine)
Länge ca. 200 mm
Breite ca. 130 mm
Höhe ca. 90 mm
Gewicht ca. 750 g (mit sechs AA-Zellen)
Max. Geschwindigkeit ca. <wird noch gemessen> cm/s
