Aus RN-Wissen.de
Wechseln zu: Navigation, Suche
Rasenmaehroboter fuer schwierige und grosse Gaerten im Test

K (ISP-Dongle - Programmieradapter günstig selbst bauen)
K (ISP-Dongle - Programmieradapter günstig selbst bauen)
Zeile 1: Zeile 1:
 
==ISP-Dongle - Programmieradapter günstig selbst bauen==
 
==ISP-Dongle - Programmieradapter günstig selbst bauen==
  
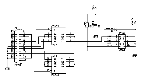
[[Bild:ispschaltplan.gif|thumb|Der Schaltplan entspricht dem unteren Bauplan, mit SUB-D Buchse. Zum vergrößern anklicken.]]
+
[[Bild:ispschaltplan.gif|center|thumb|400px|Schaltplan des ISP-Dongels mit SUB-D Buchse. Bitte beachten das das IC1 hier im Plan als verschiedene Blöcke (IC1A/IC1B) dargestellt wird. Dies dient nur zur Übersicht, es handelt sich nur um ein IC, einfach auf die Pinnummern achten. Zum vergrößern anklicken.]]
 
Um einen Atmel Controller wie Mega32 etc. (z.B. im RN-Board [[RN-Control]] oder [[RNBFRA-Board]]) oder auch einen anderen Atmel Controller programmieren zu können, benötigt man ein spezielles Anschlusskabel mit ein wenig Elektronik. In der Regel hat sich eine Schaltung bewährt, welche am Druckerport des PCs eingesteckt wird.  
 
Um einen Atmel Controller wie Mega32 etc. (z.B. im RN-Board [[RN-Control]] oder [[RNBFRA-Board]]) oder auch einen anderen Atmel Controller programmieren zu können, benötigt man ein spezielles Anschlusskabel mit ein wenig Elektronik. In der Regel hat sich eine Schaltung bewährt, welche am Druckerport des PCs eingesteckt wird.  
 
Hier gibt es zwar auch verschiedene einfache Lösungen, die nur mit einigen Widerständen oder Dioden auskommen, von diesen ist aber abzuraten, da ein defektes Board oder ein falsch aufgesteckter ISP-Stecker dann schnell die Druckerschnittstelle beschädigen können.  
 
Hier gibt es zwar auch verschiedene einfache Lösungen, die nur mit einigen Widerständen oder Dioden auskommen, von diesen ist aber abzuraten, da ein defektes Board oder ein falsch aufgesteckter ISP-Stecker dann schnell die Druckerschnittstelle beschädigen können.  

Version vom 6. Juli 2006, 10:54 Uhr

ISP-Dongle - Programmieradapter günstig selbst bauen

Schaltplan des ISP-Dongels mit SUB-D Buchse. Bitte beachten das das IC1 hier im Plan als verschiedene Blöcke (IC1A/IC1B) dargestellt wird. Dies dient nur zur Übersicht, es handelt sich nur um ein IC, einfach auf die Pinnummern achten. Zum vergrößern anklicken.

Um einen Atmel Controller wie Mega32 etc. (z.B. im RN-Board RN-Control oder RNBFRA-Board) oder auch einen anderen Atmel Controller programmieren zu können, benötigt man ein spezielles Anschlusskabel mit ein wenig Elektronik. In der Regel hat sich eine Schaltung bewährt, welche am Druckerport des PCs eingesteckt wird. Hier gibt es zwar auch verschiedene einfache Lösungen, die nur mit einigen Widerständen oder Dioden auskommen, von diesen ist aber abzuraten, da ein defektes Board oder ein falsch aufgesteckter ISP-Stecker dann schnell die Druckerschnittstelle beschädigen können.

Besser sind Lösungen mit einem Bustreiber.

Eine bewährte Schaltung ist folgende:

Der Schaltplan entspricht dem unteren Bauplan, im Plan wurde nur statt der SUB-D Buchse eine Wannenbuchse genutzt


Eine solche Schaltung schützt den Druckerport und erlaubt die zuverlässige und schnelle Programmierung der meisten Atmel Controller, wahlweise direkt aus dem Basic Compiler Bascom heraus oder mit dem ebenfalls oft genutzten Übertragungsprogramm Pony.

Besonders günstig und einfach lässt sich die Schaltung mit einer speziell geformten Platine aufbauen. Durch die geformte Platine lassen sich nämlich sowohl Stecker als auch Gehäuse sehr leicht montieren. Zudem sind Fehler beim Aufbau der Schaltung fast unmöglich.

Insgesamt benötigt man nur wenige Bauteile:

http://www.robotikhardware.de/bilder/isp/isp1.jpg

 1 Stück Platine (über www.robotikhardware.de für ca. 5,90 Euro erhältlich) 
 1 Stück Widerstand 100 k
 1 Stück Kondensator 100 nF
 1 Stück Diode z.B. 1N4148 oder ähnlich
 1 Stück IC 74HC244
 1 Stück 9 pol SUB D-Buchse
 1 Stück 25 pol SUB D-Stecker

 1 Stück 9 pol SUB D Stecker zum aufpressen auf Flachkabel
 1 Stück 10pol Wannenstecker zum aufpressen auf Flachkabel
 1m Flachkabel 9 polig
 1 Stück Universal Sub D-Gehäuse


Der 1. Schritt besteht darin, dass man gleich alle Bauteile in die Platine einsteckt und so biegt, dass diese beim Umdrehen und Einlöten nicht herausfallen.

http://www.robotikhardware.de/bilder/isp/isp2.jpg

Das Löten ist eigentlich bei den wenigen Bauteilen keine große Kunst und sollte von jedem Laien in wenigen 2 Minuten erledigt sein.

http://www.robotikhardware.de/bilder/isp/isp3.jpg

Nun werden die SUB-D-Stecker einfach direkt auf die Platine gesteckt. Und zwar so, dass die Platine genau zwischen der oberen und unteren Reihe liegt. Dabei sollte man darauf achten, dass die Kontakte auf den verzinnten Lötflächen liegen.

http://www.robotikhardware.de/bilder/isp/isp4.jpg

Am besten legt man die Platine mit den aufgesteckten Steckern schon einmal in das Gehäuse, um die Passgenauigkeit zu überprüfen. Man variiert also gegebenenfalls die Steckerposition um 1 mm, falls es noch nicht 100%ig passt.

http://www.robotikhardware.de/bilder/isp/isp5.jpg

Großes Bild [[1]]

Jetzt kann man die Kontakte einfach verlöten. Dabei sollte man das Lötzinn etwas neben den Kontakt halten, damit dieses auch darunter fließen kann. Auch das ist in ca. 2 bis 3 Minuten sehr einfach zu erledigen. Gelötet sieht das Ganze dann so aus:

http://www.robotikhardware.de/bilder/isp/isp7.jpg

Nun kann man das Gehäuse einfach zusammenstecken. Jetzt benötigen wir aber noch ein Anschlusskabel für das Roboter- bzw. Experimentierboard. Da hier ein 10-poliger Wannenstecker üblich ist, benötigen wir also diesen und einen SUB-D-Stecker und etwas Kabel (9-polig).

http://www.robotikhardware.de/bilder/isp/isp8.jpg

Besonders einfach lassen sich hier die Stecker nutzen, die man einfach auf das Flachkabel aufpresst. Zuerst wird das Kabel wie auf dem Bild eingelegt und der hintere Teil am Stecker etwas zusammengedrückt.

http://www.robotikhardware.de/bilder/isp/isp9.jpg

Eigentlich benötigt man nun eine spezielle Zange, um den Stecker gleichmäßig zusammenzudrücken, damit er wirklich gerade in die Adern einschneidet. Aber da nur wenige ein solches Werkzeug besitzen, kann man sich zum Beispiel auch mit einem Schraubstock oder dergleichen behelfen.

http://www.robotikhardware.de/bilder/isp/isp10.jpg

Wichtig ist nur, dass man die Stecker gleichmäßig und langsam zusammendrückt.

Auf der anderen Seite montieren wir nun auf die gleiche Weise den 10-poligen Wannenstecker. Dabei ist darauf zu achten, dass Pin 1 (der rot markierte Draht am Flachkabel) an der Stelle sitzt, wo ein Pfeil auf dem Stecker erkennbar ist.

http://www.robotikhardware.de/bilder/isp/isp11.jpg

Auch diesen Stecker kann man mit einem Schraubstock oder Maschinenschraubstock pressen.

http://www.robotikhardware.de/bilder/isp/isp12.jpg

Das war es schon. Unser perfektes ISP-Kabel ist fertig und sollte so aussehen:

http://www.robotikhardware.de/bilder/isp/isp13.jpg

http://www.robotikhardware.de/bilder/isp/ispstecker.jpg

Siehe auch

Bezugsquellen

Bauteile :

Platinenservice.gif hier Fertigmodulservice.gif hier


LiFePO4 Speicher Test