Aus RN-Wissen.de
Wechseln zu: Navigation, Suche
Modernes digitales Energiemessgeraet

(Verpolungsschutz mit anderen Bauteilen)
K (Verpolungsschutz mit MOSFETs)
Zeile 27: Zeile 27:
 
* Variante 2: p-Kanal-MOSFET in Reihe mit der positiven Spannungsversorgung  
 
* Variante 2: p-Kanal-MOSFET in Reihe mit der positiven Spannungsversorgung  
 
** Vorteil: wie Variante 1
 
** Vorteil: wie Variante 1
** Nachteile: wie Variante 1, Logic Fets Level selten, oft teurer als N-MOSFET
+
** Nachteile: wie Variante 1, Logic-Level Fets selten, oft teurer als N-MOSFET
  
 
== Verpolungsschutz mit anderen Bauteilen ==
 
== Verpolungsschutz mit anderen Bauteilen ==

Version vom 8. Februar 2009, 23:03 Uhr

Dieser Artikel ist noch lange nicht vollständig. Der Auto/Initiator hofft das sich weitere User am Ausbau des Artikels beteiligen.

Das Ergänzen ist also ausdrücklich gewünscht! Besonders folgende Dinge würden noch fehlen:

Was Euch noch dazu einfällt


Ein Verpolungsschutz wird in der Spannungsversorgung eines Verbrauchers (Gerätes) eingesetzt. Die Schutzschaltung verhindert entweder die falsche Polarität oder begrenzt den durch diese Verpolung entstehenden Schaden.


Verpolungsschutz mit Dioden

  • Variante 1: Eine Diode wird in Reihe mit der Versorgungsspannung geschaltet.
    • Funktion: Bei Verpolung sperrt die Diode, der Verbraucher erhält keinen Strom.
    • Vorteil: Nur eine Diode nötig.
    • Nachteil: Verlustleistung, Spannungsabfall, Durchlaßstrom der Diode müssen beachtet werden.
  • Variante 2: Eine Diode wird antiparallel zur Versorgungsspannung geschaltet. Zusätzlich eine Sicherung in der Zuleitung.
    • Funktion: Bei Verpolung schließt die Diode die Versorgungsspannung kurz. Die Sicherung spricht an und verhinder den echten Kurzschluss sowie das Durchbrennen der Diode.
    • Vorteil: Bei korrekter Polung hat die Schutzschaltung keinen Einfluß auf den Rest der Schaltung.
    • Nachteil: Bei Verwendung von normalen Sicherungen ist nach einer Verpolung ein Wechsel notwendig.


Verpolungsschutz mit MOSFETs

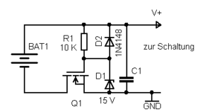
Verpolungsschutz mit N-MOSFET

Für den Verpolungsschutz mit einem MOSFET wird der FET andersherum als sonst üblich benutzt, also beim N-Kanal FET mit Drain zur negativen Seite der Spannungsquelle. Anfangs fließt der Strom über die interne Diode im MOSFET. Wenn etwa 2-4 V erreicht sind leitet dann zusätzlich der eigentliche MOSFET. Für Spannungen die sicher unter etwa 20V (maximale Gate-Source Spannung) sind kann man auf die gezeigte Zenerdiode und den Widerstand verzichten.

  • Variante 1: n-Kanal-MOSFET in Reihe mit der negativen Spannungsversorgung (GND)
    • Vorteil: sehr geringer Spannungsabfall, Überspannung kann zur Quelle abgleitet werden
    • Nachteile: Mindestspannung ca. 4 V, mit Logic-Level Fets ca. 2 V, ein Elko in der Schaltung bietet keinen Schutz vor Spannungseinbrüchen auf der Batterieseite, Stromverbrauch bei Spannungen über etwa 20 V, oft teurer als Diode
  • Variante 2: p-Kanal-MOSFET in Reihe mit der positiven Spannungsversorgung
    • Vorteil: wie Variante 1
    • Nachteile: wie Variante 1, Logic-Level Fets selten, oft teurer als N-MOSFET

Verpolungsschutz mit anderen Bauteilen

  • Variante 1: Vorgeschalteter Brückengleichrichter.
    • Funktion: siehe Gleichrichter
    • Vorteil: Es liegt immer die richtige Polarität am Verbraucher an, auch wenn beim Anschluss die Leitungen vertauscht werden.
    • Vorteil: Verträgt auch Wechselstrom als Speisequelle.
    • Nachteil: Spannungsabfall und Verlustleistung am Brückengleichrichter
    • Nachteil: Schaltungsmasse (GND) ist um 0,7V Potentialverschoben zu der Versorgungsspannung.
    • Hinweis: Zur Entstörung kann man die Dioden auf der Eingangsseite mit 100nF-Keramikkondensatoren überbrücken.
  • Variante 2: Relais schaltet mit Hilfe einer Diode die Versorgungsspannung zum Verbraucher.
    • Vorteil: Kaum Spannungsabfall an den Schaltkontakten.
    • Nachteile: Aufwendig. Zusätzliche Verlustleistung in der Relaisspule. Kein Schutz vor Pulsen mit falscher Polung.

Links

Autor

--Williwilli 14:54, 11. Dez 2008 (CET)


LiFePO4 Speicher Test